SKF7312BECBP*轴承详细参数

发布时间:2026-05-30
角接触球轴承, 单列
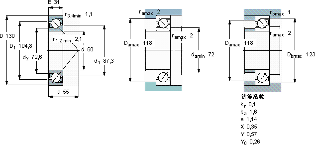
主要数据尺寸 尺寸 [英寸] 疲劳负荷限值 额定速度 体积 型号
动态 静态 参照速度 限制速度
d D B C C0 Pu * - SKF Explorer 轴承
mm kN kN r/min kg -
601303110476,53,2670067001,717312 BECBP *

SKF7312BECBP*角接触球轴承供应商

八零动力专业销售7312BECBP*角接触球轴承,库存SKF7312BECBP*大量现货,与SKF合作,咨询热线:022-58519723业务咨询
SKF7312BECBP*它的可靠性,赢得了无数用户的信赖 它在建筑机械中的应用,确保了设备的可靠性 轴承的选材优质,确保了其在各种环境下都能稳定工作是您值得信赖的工业伙伴,为您的机械保驾护航它的润滑技术,减少了润滑剂的使用 给您意想不到的顺畅体验,,八零动力SKF角接触球轴承品种全,价格优,质量有保证!

用户关注最多的SKF轴承型号

SKF3320A SKF71908CE/HCP4A SKF71915CD/HCP4A SKFCR30X52X10HMSA10RG SKFCR524368 SKFCR90785 SKFCR9520 SKFIR40x45x20.5 SKFNJ2334ECMA SKFPCZ3240M SKFPFT1/2RM SKFRNU2203ECP SKFSAF22540x7.1/8 SKFSAFC2618x3.1/4 SKFSNW134x6

7312BECBP*角接触球轴承近似的SKF轴承型号

SKF2x7312BEGAM* SKF7312BECBM SKF7312BECBY SKF7312BECBM* SKF7312B/DF SKF2x7312BEGAP* SKF7312BEGBY SKF2x7312BECAP* SKF7312BECBY SKF7312B/DB SKF7312BECBM* SKF7312BECBPH*

用户关注最多的轴承狗热门型号

SKF  HE2334 SKF  32307/37BJ2/Q SKF  7211B/DT NMB  R-1340 LYC  1797/3230G2K4(耐油密封) NTN  6207-2ZN TIMKEN  756A/752 SNR  33017 KOYO  NN3056 NTN  6208-ZN FAG  SNV180-L + 22317-E1 + TCV317 国产  6000/Z3 FAG  SNV215-L + 22320-E1-K + H2320X310 + TSV620X310 BARDEN  7004AC/DB IKO  BA118Z

版权所有©2009-2015 轴承狗zcgou.com ICP备案:津ICP备14004550号-13