SKF7312BECBPH*轴承详细参数

发布时间:2026-04-15
角接触球轴承, 单列
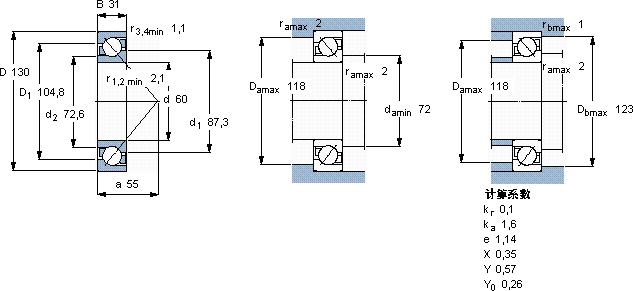
主要数据尺寸 尺寸 [英寸] 疲劳负荷限值 额定速度 体积 型号
动态 静态 参照速度 限制速度
d D B C C0 Pu * - SKF Explorer 轴承
mm kN kN r/min kg -
601303110476,53,2670067001,717312 BECBPH *

SKF7312BECBPH*角接触球轴承供应商

八零动力专业销售7312BECBPH*角接触球轴承,库存SKF7312BECBPH*大量现货,与SKF合作,咨询热线:022-58519723业务咨询
SKF7312BECBPH*它的抗剪切性能,确保了它的结构稳定性 它的抗疲劳性能,确保了长期使用的可靠性 设计合理、性能优良的它,是机械设备稳定运行的重要保障承载未来是您设备高效运转的可靠伙伴,该轴承的性能卓越,完全满足了各种严苛工况的需求,八零动力SKF角接触球轴承品种全,价格优,质量有保证!

用户关注最多的SKF轴承型号

SKF23092CA/W33 SKF61818-2RS1 SKF7216BECBJ SKFC3180M* SKFCR12398 SKFCR13585 SKFCR20X47X10HMS5RG SKFCR99311 SKFFYTB3/4TF SKFN308ECM* SKFNJ2316ECP* SKFRNU2211ECP* SKFSAKB20F SKFSC71919DB/P7 SKFSNP3172x13.7/16

7312BECBPH*角接触球轴承近似的SKF轴承型号

SKF7312BEGAP* SKF7312BECCM* SKF2x7312BEGBY SKF7312BEY SKF7312BECBP* SKF7312B/DT SKF7312BECAP* SKF7312BECBM SKF7312BECBY SKF2x7312BECBM* SKF7312BECBP* SKF7312BECBY

用户关注最多的轴承狗热门型号

SKF  CR105051 LYC  24134 CA TIMKEN  EE275108/275156CD/X1S-275108 NSK  6316N SKF  7022C/DF KOYO  7011C/DT SNR  7302C/DT SKF  CR56170 NTN  6022-RZ SKF  C39/750M* SKF  NCF2948CV SKF  H315E NSK  NU210EM IKO  CRW12-1200 IKO  LM5080100NF

版权所有©2009-2015 轴承狗zcgou.com ICP备案:津ICP备14004550号-13