SKF7312BECBM*轴承详细参数

发布时间:2026-04-14
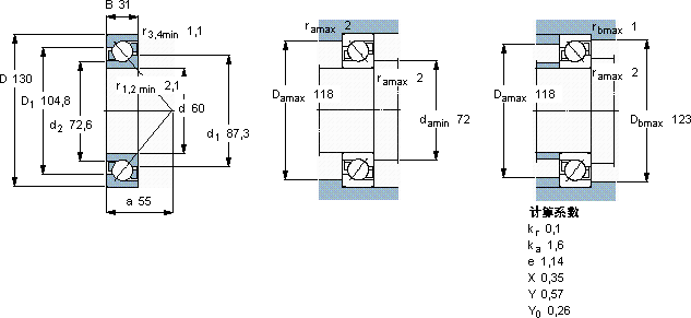
角接触球轴承, 单列
主要数据尺寸 尺寸 [英寸] 疲劳负荷限值 额定速度 体积 型号
动态 静态 参照速度 限制速度
d D B C C0 Pu * - SKF Explorer 轴承
mm kN kN r/min kg -
601303110476,53,2670067001,887312 BECBM *

SKF7312BECBM*角接触球轴承供应商

八零动力专业销售7312BECBM*角接触球轴承,库存SKF7312BECBM*大量现货,与SKF合作,咨询热线:022-58519723业务咨询
SKF7312BECBM*轴承的耐用性极佳,为设备的长期稳定运行提供了保障它的精准度,让机械运转分毫不差 质量上乘的轴承,是提升机械设备性能的关键因素铸就卓越品质,这款轴承的精度极高,能够满足对精度要求苛刻的设备为设备的精确运行提供了保障,该轴承的精度控制精准,为设备的精确运行提供了保障,八零动力SKF角接触球轴承品种全,价格优,质量有保证!

用户关注最多的SKF轴承型号

SKF22211E* SKF316-Z SKF7207BEGAP* SKFCR14975 SKFCR220X250X15HMS5V SKFFSYE3.11/16NH-118 SKFN038 SKFNN3036/SPW33 SKFNNCL4980CV SKFNU1021ML SKFNU422 SKFOKBS135 SKFPFT17TF SKFSC7016FB/P7 SKFSDAF23168

7312BECBM*角接触球轴承近似的SKF轴承型号

SKF2x7312BECAP* SKF2x7312BEGAY SKF7312BECBY SKF7312BEGAY SKF7312BECBPH* SKF2x7312BECBJ SKF7312BEP SKF7312BEY SKF7312BEM SKF7312BEY SKF7312BECBJ SKF7312BECBP*

用户关注最多的轴承狗热门型号

NACHI  7030CDT FLT  N306 LYC  131.50.3150.03K1 NSK  23936CAME4 TIMKEN  MS3188 NTN  6322 DKF  7219B/DF LYC  6020 国产  51240M RHP  6211-2RS SKF  QJ214N2MA FAG  SNV090-L + 2308-TVH + DHV308 SKF  AS0922 SNR  30318 IKO  BAM1616

版权所有©2009-2015 轴承狗zcgou.com ICP备案:津ICP备14004550号-13