SKF7312BEGAY轴承详细参数

发布时间:2026-05-30
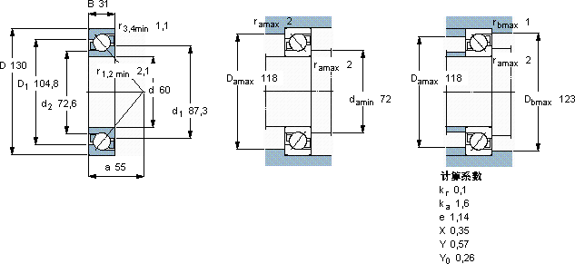
角接触球轴承, 单列
主要数据尺寸 尺寸 [英寸] 疲劳负荷限值 额定速度 体积 型号
动态 静态 参照速度 限制速度
d D B C C0 Pu
mm kN kN r/min kg -
601303195,669,53600060001,757312 BEGAY

SKF7312BEGAY角接触球轴承供应商

八零动力专业销售7312BEGAY角接触球轴承,库存SKF7312BEGAY大量现货,与SKF合作,咨询热线:022-58519723业务咨询
SKF7312BEGAY这轴承的选材讲究,坚固耐用,寿命远超同类产品为您创造更多可能,它的径向跳动控制,达到了行业顶尖水平 稳定的传奇铸就卓越品质,卓越的设计和可靠的性能,是这款轴承的两大亮点,八零动力SKF角接触球轴承品种全,价格优,质量有保证!

用户关注最多的SKF轴承型号

SKF23048CCK/W33 SKF23176CA/W33* SKF6300/HR11QN SKF71932C SKF891/630M SKFC39/800MB* SKFGEP710FS SKFNF307ECP* SKFNNU41/750M/W33 SKFNUP2215ECML* SKFNUP314ECP* SKFQJ304MA* SKFTUJ40TF SKFWS81126 SKFYAR210-112-2F/AH

7312BEGAY角接触球轴承近似的SKF轴承型号

SKF7312BEM SKF7312BECCM* SKF7312BEY SKF7312BEP SKF7312BEGBM* SKF2x7312BECCM* SKF7312BECBM SKF7312BECAP* SKF7312BECBY SKF2x7312BEGAP* SKF7312BEGAP* SKF7312BEGBM*

用户关注最多的轴承狗热门型号

SKF  293/800 INA  ZKLF3590-2RS-PE STEYR  NJ2222E BARDEN  7215AC NSK  F604 SKF  CR526246 TIMKEN  67884/67820 SKF  FYTBKC20NTR/VE495 NTN  NN4936 ASK  NU426 TIMKEN  K45X50X15FVB 国产  30315 SKF  7010ACE/P4A IKO  GBRI325228 IKO  CR22VBR

版权所有©2009-2015 轴承狗zcgou.com ICP备案:津ICP备14004550号-13