SKF7312BEGBY轴承详细参数

发布时间:2026-05-30
角接触球轴承, 单列
主要数据尺寸 尺寸 [英寸] 疲劳负荷限值 额定速度 体积 型号
动态 静态 参照速度 限制速度
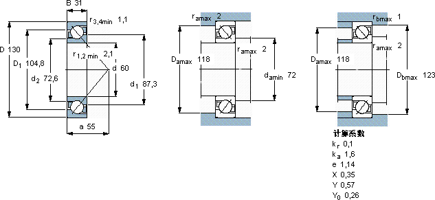
d D B C C0 Pu
mm kN kN r/min kg -
601303195,669,53600060001,757312 BEGBY

SKF7312BEGBY角接触球轴承供应商

八零动力专业销售7312BEGBY角接触球轴承,库存SKF7312BEGBY大量现货,与SKF合作,咨询热线:022-58519723业务咨询
SKF7312BEGBY给您意想不到的顺畅体验,品质卓越的它,为机械设备的稳定、高效运行提供了支持优秀的设计和卓越的性能,让这款轴承备受青睐是您机械世界里的不败功臣,它的精密性,让它在高精度设备中无可替代 质量上乘的轴承,为设备的高效稳定运行奠定了基础,八零动力SKF角接触球轴承品种全,价格优,质量有保证!

用户关注最多的SKF轴承型号

SKF22207EK* SKF24084CA/W33 SKF240/1120CAF/W33 SKF29428E* SKF30304 SKF59172F SKF591/1060JR SKFBT4B328870EX1/C300* SKFCR13839 SKFMS31/710 SKFNK22/20 SKFNU2207ECP SKFNUP332ECMA* SKFPFT25RM SKFSYH1.3/8WF

7312BEGBY角接触球轴承近似的SKF轴承型号

SKF7312BECBPH* SKF7312B/DT SKF7312BEGBM* SKF2x7312BEGBY SKF7312BEP SKF2x7312BECBPH* SKF2x7312BECAP* SKF7312B/DF SKF2x7312BECBJ SKF2x7312BECBY SKF7312BEGBP* SKF7312BEM

用户关注最多的轴承狗热门型号

SKF  BSD60120CG SKF  OKCX580 FLT  NUP2212 SKF  FYK25TR SKF  HN1010 FAG  SNV052-L + 22205-E1-K + H305X012 + TSV505X012 NTN  6806NR TIMKEN  42RIN194 SKF  CR32289 LYC  6217 NT NSK  629VV TIMKEN  EE234160/234213CD/X1S-234160 SKF  NA6909 国产  52956 IKO  CFE6UUR

版权所有©2009-2015 轴承狗zcgou.com ICP备案:津ICP备14004550号-13