SKF7312BEY轴承详细参数

发布时间:2026-04-15
角接触球轴承, 单列
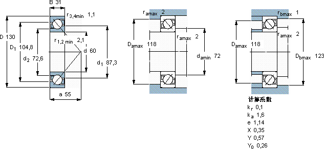
主要数据尺寸 尺寸 [英寸] 疲劳负荷限值 额定速度 体积 型号
动态 静态 参照速度 限制速度
d D B C C0 Pu
mm kN kN r/min kg -
601303195,669,53600060001,757312 BEY

SKF7312BEY角接触球轴承供应商

八零动力专业销售7312BEY角接触球轴承,库存SKF7312BEY大量现货,与SKF合作,咨询热线:022-58519723业务咨询
SKF7312BEY这轴承的制造工艺精湛,展现出了极高的工业水准稳定持久匠心制造它的可靠性,赢得了无数用户的信赖 制造工艺精湛,使得这款轴承的精度和稳定性都非常出色为设备的精确运行提供了保障,该轴承的精度控制精准,为设备的精确运行提供了保障,八零动力SKF角接触球轴承品种全,价格优,质量有保证!

用户关注最多的SKF轴承型号

SKF23064CCK/W33+AOH3064G* SKF23252CCK/W33+AOH2352G* SKF31314J2/QCL7CDF SKF331093A SKF5213A-2Z SKF61824-RS SKF71930CD/P4A SKFC31/530KM+OH31/530H* SKFCR40X52X8HMSA10V SKFFYT2.3/16TF/VA228 SKFKMTA16 SKFNCF1844V SKFOH3260H SKFPCM758080M SKFW6007

7312BEY角接触球轴承近似的SKF轴承型号

SKF7312BECBM SKF2x7312BEGBP* SKF7312BEM SKF2x7312BECCM* SKF2x7312BECBY SKF7312B/DF SKF7312BEGAY SKF2x7312BEGAP* SKF7312BECBY SKF7312BEGBY SKF7312BEP SKF7313B

用户关注最多的轴承狗热门型号

SKF  SNL617TURU FAG  NU1992-M1 KOYO  NJ2307E FAG  AH3164-H NTN  1213K LYC  RNA 6919 TORRINGTON&FAFNIR  6248 SKF  SYR2.3/4H-18 SKF  CR33699 ZKL  7244B/DB FAG  SNV150-L + 2314-M + DHV214 NACHI  6309ZE SKF  CR594186 NTN  UCFC210 SKF  HK2820

版权所有©2009-2015 轴承狗zcgou.com ICP备案:津ICP备14004550号-13