
SKF7311 BECBY/W64轴承详细参数
发布时间:2026-04-14
| | | | | | | | | |
| 角接触球轴承, 单列 ,含Solid Oil |
|
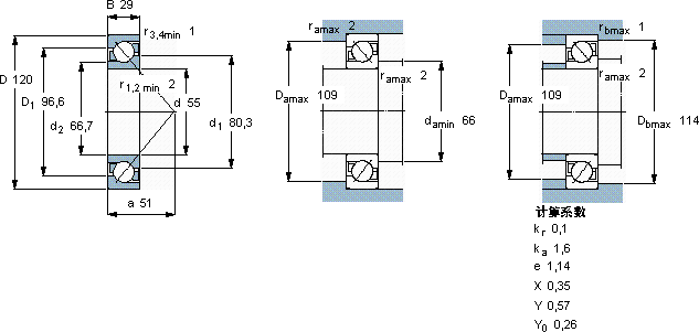
| 主要数据尺寸 | 基本负荷额定值 | 疲劳负荷限值 | 限制速度 | 体积 | 型号 |
| | 动态 | 静态 | | | |
| d | D | B | C | C0 | Pu | |
|
| mm | kN | kN | r/min | kg | - |
|
| 55 | 120 | 29 | 85,2 | 60 | 2,55 | 1700 | 1,48 | 7311 BECBY/W64 |
SKF7311 BECBY/W64角接触球轴承供应商
- 八零动力专业销售7311 BECBY/W64角接触球轴承,库存SKF7311 BECBY/W64大量现货,与SKF合作,咨询热线:022-58519723

- SKF7311 BECBY/W64精湛的制造工艺赋予了这款轴承出色的性能和可靠性它的可靠性,赢得了无数用户的信赖 它的多样化应用,展现了它的无限可能 先进的制造工艺,让这款轴承的性能更加稳定可靠它的径向跳动控制,达到了行业顶尖水平 性能优越的轴承,极大地提升了设备的工作性能和效率,八零动力SKF角接触球轴承品种全,价格优,质量有保证!
用户关注最多的SKF轴承型号
SKF22311E/VA405
SKF22338CCK/W33*
SKF23276CACK/W33
SKFAH24036
SKFBT4B331125BG/HA1
SKFC7019DB/P7
SKFCR130X160X15HMSA10RG
SKFFSAF1518
SKFK130x137x24
SKFNK24/20
SKFPCM758050E
SKFSYJ30KF
SKFSYNT40LW
SKFWS81213
SKFWS81288