SKF2x7311BECCM*轴承详细参数

发布时间:2026-04-15
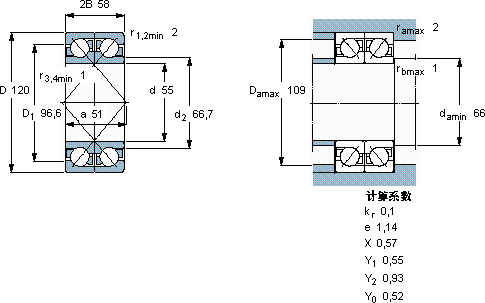
角接触球轴承, 单列,用于配对安装, 面对面配对
主要数据尺寸 基本负荷额定值 疲劳负荷限值 额定速度 体积 型号 轴承配对
动态 静态 参照速度 限制速度
d D 2B C C0 Pu * - SKF Explorer 轴承
mm kN kN r/min kg --
55120581401205,1560070003,002 × 7311 BECCM *DF

SKF2x7311BECCM*角接触球轴承供应商

八零动力专业销售2x7311BECCM*角接触球轴承,库存SKF2x7311BECCM*大量现货,与SKF合作,咨询热线:022-58519723业务咨询
SKF2x7311BECCM*这轴承的选材讲究,坚固耐用,寿命远超同类产品您值得拥有让您的设备高效运行,卓越的设计和可靠的性能,是这款轴承的两大亮点优秀的设计和卓越的性能,让这款轴承备受青睐稳定持久,八零动力SKF角接触球轴承品种全,价格优,质量有保证!

用户关注最多的SKF轴承型号

SKF232/560CAK/W33+AOH32/560 SKF3313A-2Z/MT33* SKF52236M SKF663/653/Q SKFBT4B329007/HA1 SKFCR415000 SKFCR401604 SKFCR417500 SKFE2.635-2Z/C3 SKFN1016KTN/HC5SP SKFNNU41/1500M/W33 SKFNU320ECP* SKFOKF440 SKFPDNB218 SKFPF1/2TF

2x7311BECCM*角接触球轴承近似的SKF轴承型号

SKF2x7311BECBJ SKF7311BECBM SKF7311BECBM* SKF7311BEP SKF7311BECBP* SKF7311BEGAM* SKF7311B/DF SKF7311BEGBM* SKF2x7311BECBY SKF2x7311BEGBM* SKF2x7311BECBY SKF2x7311BEGAM*

用户关注最多的轴承狗热门型号

STEYR  53324U SKF  33115/QDFC150 SKF  TU1.7/16TF SNR  7024AC/DF KOYO  22209CCK/W33+H309 FAG  239/850-K-MB + AH39/850 KOYO  47336 NMB  RIF-614ZZ TIMKEN  260RT92 GMN  7207B/DB 国产  NF320M LYC  22348 KZ/HN NSK  6306 MRC  7338B/DB SKF  7207BECBM

版权所有©2009-2015 轴承狗zcgou.com ICP备案:津ICP备14004550号-13