SKF7311BECBP*轴承详细参数

发布时间:2026-04-15
角接触球轴承, 单列
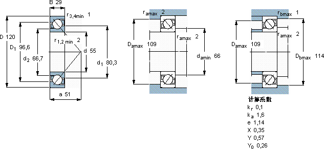
主要数据尺寸 尺寸 [英寸] 疲劳负荷限值 额定速度 体积 型号
动态 静态 参照速度 限制速度
d D B C C0 Pu * - SKF Explorer 轴承
mm kN kN r/min kg -
551202985602,55700070001,347311 BECBP *

SKF7311BECBP*角接触球轴承供应商

八零动力专业销售7311BECBP*角接触球轴承,库存SKF7311BECBP*大量现货,与SKF合作,咨询热线:022-58519723业务咨询
SKF7311BECBP*它的高可靠性,减少了设备停机时间 它在农业机械中的应用,展现了它的耐用性 它的耐高温性能,让它在极端环境下依然稳定运行 它的设计巧妙,在保证性能的同时,还兼顾了安装的便捷性它的可靠性,赢得了无数用户的信赖 是您值得信赖的工业伙伴,为您的机械保驾护航,八零动力SKF角接触球轴承品种全,价格优,质量有保证!

用户关注最多的SKF轴承型号

SKF215NR SKF2x7214BECBP* SKF307352 SKF317-2Z SKF71932C/DT SKFAOH3264G SKFBT1B334140/HA4 SKFC30/560KM+OH30/560H* SKFCR11734 SKFCR135x160x13CRS1R SKFCR13700 SKFLR8x12x12.5 SKFNJ306ECP* SKFPCMS1005003.06M SKFSAF1507

7311BECBP*角接触球轴承近似的SKF轴承型号

SKF7311BEGBM* SKF2x7311BEGAM* SKF7311BECBPH* SKF2x7311BEGCY SKF7311BECBP SKF7311BEP SKF2x7311BEGAY SKF7311BECBY SKF2x7311BECBJ SKF7311BECBJ SKF7311BECBM* SKF7311BECBPH*

用户关注最多的轴承狗热门型号

SKF  SNW117x2.15/16 INA  CSCC100 SKF  AOH24176 GMN  7205C INA  KR5205-2RS RHP  7221C/DF SKF  CR1925250 NACHI  6308NKE INA  RASEY40-N DKF  7311AC/DF LYC  22318 CA/C4W33 LYC  KNL 19.05X31.775X34 NSK  NN3006ZTBKR 国产  NJ424M IKO  LWLFC30...B

版权所有©2009-2015 轴承狗zcgou.com ICP备案:津ICP备14004550号-13