SKFKMTA36轴承详细参数

发布时间:2026-04-15
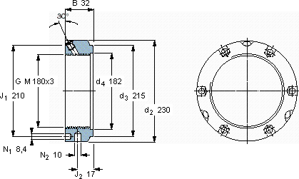
带锁紧销的KMTA精密锁紧定螺母
螺纹尺寸 尺寸 轴向负荷 体积 型号 平头螺钉
承载能力 锁定螺母 适宜的板手 尺寸 推荐的紧固扭矩
d3 B G 静态
- mm - kN kg --- Nm
18021532M 180x312203,90KMTA 36B 230-245M 1035

SKFKMTA36轴承附件供应商

八零动力专业销售KMTA36轴承附件,库存SKFKMTA36大量现货,与SKF合作,咨询热线:022-58519723业务咨询
SKFKMTA36它的旋转精度,让高速运转成为现实 它的材质选择,体现了对品质的极致追求 它的可靠性,赢得了无数用户的信赖 它的精密设计,展现了人类智慧的巅峰 是您设备高效运转的可靠伙伴,它在化工设备中的应用,展现了它的耐腐蚀性 ,八零动力SKF轴承附件品种全,价格优,质量有保证!

用户关注最多的SKF轴承型号

SKF212-2ZNR SKF2x7308BEGBP* SKF42 SKF6001/HR22T2 SKF7226B/DT SKFBS2-2212-2CS/VT143* SKFCR1055x1100x25HS5R SKFCR28X47X10HMS5RG SKFCR380x420x20HDS2R SKFCR680x740x30HDS2R SKFFY13/16TF SKFFYR1.1/2H SKFGEP380FS SKFRN-2x13.8BF/G2 SKFS71908ACD/HCP4A

KMTA36轴承附件近似的SKF轴承型号

SKFSNW3036x6.1/2 SKFH3936 SKFSNW36x6.1/2 SKFHE3136L SKFSNW36x6.7/16 SKFHMVC36E SKFHA3136L SKFAH3236G SKFSNW3036x6.3/8 SKFHE2336 SKFKMTA34 SKFKMTA38

用户关注最多的轴承狗热门型号

RIV  NUP240 RIV  NU310 国产  6004E SKF  22312E/W64* TIMKEN  7409W FAG  H316X211 FAG  SNV215-L + 21320-E1-K-TVPB + H320X307 + TCV620X307 NACHI  NU311EG SKF  NUP214ECM* LYC  6204 E LYC  6203 E/P61 NACHI  NJ408 INA  PAP3040-P20 SKF  24072CCK30/W33+AOH24072* LYC  23228 C/W33

版权所有©2009-2015 轴承狗zcgou.com ICP备案:津ICP备14004550号-13