SKF7311BECBY轴承详细参数

发布时间:2026-05-29
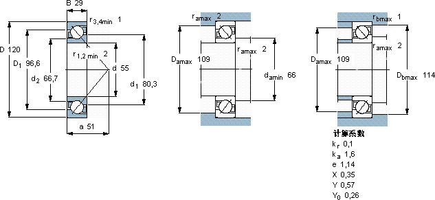
角接触球轴承, 单列
主要数据尺寸 尺寸 [英寸] 疲劳负荷限值 额定速度 体积 型号
动态 静态 参照速度 限制速度
d D B C C0 Pu
mm kN kN r/min kg -
551202985,2602,55670067001,487311 BECBY

SKF7311BECBY角接触球轴承供应商

八零动力专业销售7311BECBY角接触球轴承,库存SKF7311BECBY大量现货,与SKF合作,咨询热线:022-58519723业务咨询
SKF7311BECBY承载无限可能,它的静音设计,让机械运转如丝般顺滑 高品质的轴承,在各种复杂环境下都能稳定发挥作用持久转动设计合理、性能优良的它,是机械设备实现高效运行的重要保障高精度与高可靠性的完美结合,成就了这款杰出的轴承,八零动力SKF角接触球轴承品种全,价格优,质量有保证!

用户关注最多的SKF轴承型号

SKF22214CC/W33 SKF2x7211BECBY SKF2x7409BGM SKF3307A-2Z/MT33* SKF71916CE/HCP4A SKFCR27X47X10HMS5RG SKFCR525627 SKFGS81112 SKFNK19/20 SKFNU31/500ECMA/HB1 SKFPFT35RM SKFW6301-2Z SKFUE203 SKFWEEY004 SKFYAR206-103-2F

7311BECBY角接触球轴承近似的SKF轴承型号

SKF2x7311BECBJ SKF2x7311BECBM* SKF7311BEGAP* SKF7311B/DT SKF7311BECBP SKF2x7311BEGBY SKF2x7311BEGAP* SKF7311BECBPH* SKF7311B SKF2x7311BECBY SKF7311BECBPH* SKF7311 BECBY/W64

用户关注最多的轴承狗热门型号

SKF  CR8X18X7HMSA10RG GMN  7203C/DF NSK  BL213Z LYC  BFCDP 146206750-1/P54 SKF  PF15/16TF SKF  HMV134E KOYO  463/530A LYC  BFCDP 170230840/P64/02 NSK  230/850CAKE4 TIMKEN  49151/49368 NSK  232/950CAKE4 SKF  SYR2.H-18 SKF  CR13796 NSK  QJ226 SKF  NJ319ECM*

版权所有©2009-2015 轴承狗zcgou.com ICP备案:津ICP备14004550号-13