SKF7311BECBM*轴承详细参数

发布时间:2026-04-15
角接触球轴承, 单列
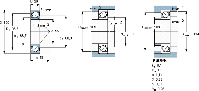
主要数据尺寸 尺寸 [英寸] 疲劳负荷限值 额定速度 体积 型号
动态 静态 参照速度 限制速度
d D B C C0 Pu * - SKF Explorer 轴承
mm kN kN r/min kg -
551202985602,55700070001,497311 BECBM *

SKF7311BECBM*角接触球轴承供应商

八零动力专业销售7311BECBM*角接触球轴承,库存SKF7311BECBM*大量现货,与SKF合作,咨询热线:022-58519723业务咨询
SKF7311BECBM*它的长寿命,减少了更换频率 它的高效率,减少了能源消耗 品质永相随它在化工设备中的应用,展现了它的耐腐蚀性 它机械世界的心脏,默默支撑着无数设备的运转 它在家用电器中的应用,让生活更加便捷 ,八零动力SKF角接触球轴承品种全,价格优,质量有保证!

用户关注最多的SKF轴承型号

SKF22264CACK/W33+AOH2264G* SKF22313CC/W33 SKF316200 SKF3208A* SKF7211B/DT SKFBK1210 SKFCR220x260x14.27HS8R SKFCR48X62X8HMS5RG SKFCR72542 SKFFY1.TF/AH SKFNUP309ECML* SKFPF1.3/4FM SKFS71911DB/P7 SKFSC71915DB/P7 SKFSYR4NH-118

7311BECBM*角接触球轴承近似的SKF轴承型号

SKF7311BECBPH* SKF2x7311BEGAY SKF2x7311BECBP* SKF2x7311BEGAM* SKF7311B/DF SKF2x7311BECCM* SKF2x7311BECBY SKF7311BECBJ SKF7311BECCM* SKF2x7311BEGBP* SKF7311BECBJ SKF7311BECBP*

用户关注最多的轴承狗热门型号

SKF  575/572/Q SKF  6003/VA201 RHP  7206AC BARDEN  7222AC/DB SKF  7010ACD/P4A TIMKEN  1106KLLG NTN  NA4909 INA  ZMA90/130 NSK  7007A5TYNDBLP4 RHP  71910AC NSK  LM4530 国产  6315-2RS TIMKEN  44143/44363D/X1S-44143 ZKL  30309 LYC  6212 E/C3Z1

版权所有©2009-2015 轴承狗zcgou.com ICP备案:津ICP备14004550号-13