SKF7311BEGAM*轴承详细参数

发布时间:2026-04-29
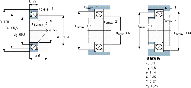
角接触球轴承, 单列
主要数据尺寸 尺寸 [英寸] 疲劳负荷限值 额定速度 体积 型号
动态 静态 参照速度 限制速度
d D B C C0 Pu * - SKF Explorer 轴承
mm kN kN r/min kg -
551202985602,55700070001,497311 BEGAM *

SKF7311BEGAM*角接触球轴承供应商

八零动力专业销售7311BEGAM*角接触球轴承,库存SKF7311BEGAM*大量现货,与SKF合作,咨询热线:022-58519723业务咨询
SKF7311BEGAM*它在包装机械中的应用,确保了设备的高效率 承载重托它的精密制造工艺,让人叹为观止 它的高效率,让机械运转更加节能 机械的心脏它的可靠性,赢得了无数工程师的信任 ,八零动力SKF角接触球轴承品种全,价格优,质量有保证!

用户关注最多的SKF轴承型号

SKF314990A SKF61813-RZ SKF71914ACD/HCP4A SKF7313BECCM* SKFAHX2324/110G SKFC4036K30V+AH24036* SKFC39/710KM* SKFCR40X58X8HMSA10RG SKFCR57505 SKFN2314 SKFNJ2208ECP* SKFNU2344ECMA SKFPFD20RM SKFRPNA45/62 SKFYET212

7311BEGAM*角接触球轴承近似的SKF轴承型号

SKF7311BEY SKF2x7311BEGBM* SKF7311BEGBY SKF7311BEGBM* SKF2x7311BEGCY SKF7311BEGAM* SKF7311BECCM* SKF7311BECBM* SKF2x7311BEGAP* SKF7311BECBP SKF7311BECCM* SKF7311BEGAP*

用户关注最多的轴承狗热门型号

FAG  H3132-HG SKF  353093A NACHI  6007N KOYO  62/32-2RZ NTN  NA4901 ZKL  32026 国产  1204 GMN  7005AC/DB NTN  71934C SKF  BFSB353916 SKF  OKF550 TORRINGTON FAFNIR  6344 TIMKEN  JM718149/JM718110 SKF  BC4-8010/HA4 IKO  NAF609030

版权所有©2009-2015 轴承狗zcgou.com ICP备案:津ICP备14004550号-13