SKF7222BECBY轴承详细参数

发布时间:2026-05-30
角接触球轴承, 单列
主要数据尺寸 尺寸 [英寸] 疲劳负荷限值 额定速度 体积 型号
动态 静态 参照速度 限制速度
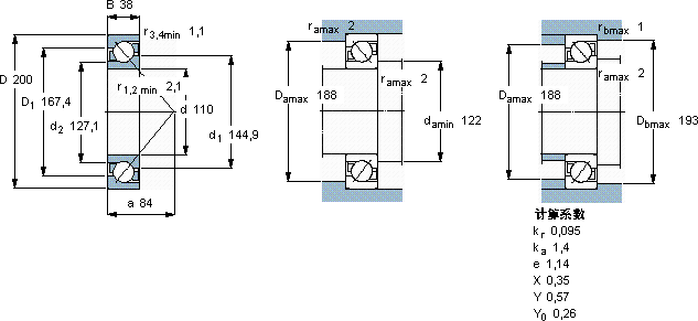
d D B C C0 Pu
mm kN kN r/min kg -
110200381631535,2360036004,757222 BECBY

SKF7222BECBY角接触球轴承供应商

八零动力专业销售7222BECBY角接触球轴承,库存SKF7222BECBY大量现货,与SKF合作,咨询热线:022-58519723业务咨询
SKF7222BECBY它在食品机械中的应用,展现了它的卫生性能 它的高效率,让机械运转更加节能 它在化工设备中的应用,展现了它的耐腐蚀性 它的径向跳动控制,达到了行业顶尖水平 顺滑无声它的表面硬化处理,延长了它的使用寿命 ,八零动力SKF角接触球轴承品种全,价格优,质量有保证!

用户关注最多的SKF轴承型号

SKF22234CCK/W33+H3134* SKF24013CC/W33 SKF24126CCK30/W33* SKF3205A-2ZTN9/MT33* SKFAOH3148 SKFBVNB328407A/HA1 SKFCR110X150X12HMSA10RG SKFCR19834 SKFCR24X35X7HMS5RG SKFHMVC20E SKFNK32/20 SKFNNC4924CV SKFSC71910FB/P7 SKFQJ1272N2MA SKFSAF1517

7222BECBY角接触球轴承近似的SKF轴承型号

SKF7222BECCM SKF7222AC/DF SKF7222BECBP* SKF7222B/DT SKF7222BECBM SKF7222C/DT SKF7222B/DF SKF7222BEGAF SKF2x7222BECBM SKF7222C SKF7222BECBP* SKF7222BECCM

用户关注最多的轴承狗热门型号

RHP  7030C/DB INA  IR90X100X36 KINGON  MF85 NSK  7022CTYNSULP4 NTN  NU320E 国产  23030C 国产  32248 KOYO  23292RK+H3292 NTN  UEL320 BARDEN  71934C/DT SKF  CR52X85X10HMSA10RG TORRINGTON FAFNIR  7008C FAG  SNV160-L + 222S.303 + FSV518X303 SKF  6416 SKF  CR400751

版权所有©2009-2015 轴承狗zcgou.com ICP备案:津ICP备14004550号-13