SKF7222BEM轴承详细参数

发布时间:2026-04-15
角接触球轴承, 单列
主要数据尺寸 尺寸 [英寸] 疲劳负荷限值 额定速度 体积 型号
动态 静态 参照速度 限制速度
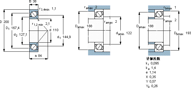
d D B C C0 Pu
mm kN kN r/min kg -
110200381531434,9360038004,957222 BEM

SKF7222BEM角接触球轴承供应商

八零动力专业销售7222BEM角接触球轴承,库存SKF7222BEM大量现货,与SKF合作,咨询热线:022-58519723业务咨询
SKF7222BEM它在印刷机械中的应用,展现了它的高精度 高精度的轴承,为设备的稳定运行提供了坚实保障从制造工艺到实际性能,这款轴承都表现得十分出色,每一次转动都是精准与力量的完美呈现,转动不停歇它的承载能力,堪称机械界的“大力士” ,八零动力SKF角接触球轴承品种全,价格优,质量有保证!

用户关注最多的SKF轴承型号

SKF231/630CAK/W33+AOH31/630* SKF3302A-2ZTN9/MT33 SKFCR310x370x25HDS1R SKFCR467x510x20HDS2V SKFFYKC35NTR/VE495 SKFGS89324 SKFKMFE4 SKFN1013KTNHA/SP SKFPCMF141612B SKFPCZ1812B SKFSNL3096GF SKFSNL3134TURT SKFSNW13x2 SKFSY1.1/8WF SKFSYR1.3/4NH-118

7222BEM角接触球轴承近似的SKF轴承型号

SKF7222BEM SKF7222BECCM SKF2x7222BECCM SKF2x7222BEGAF SKF7222B SKF2x7222BECBP* SKF7222BECBP* SKF7222BECBM SKF2x7222BEGBF SKF7222C/DB SKF7222BEGBF SKF7222BEP

用户关注最多的轴承狗热门型号

BARDEN  7234AC/DB FAG  23032-E1A-K-M + H3032 TIMKEN  5211KG MRC  7204C SKF  CR86X110X13CRSH11R TIMKEN  15101/15245 SKF  23076CCK/W33+AOH3076G* INA  RMEY45 KOYO  NU419 INA  GE670-DW-2RS2 NACHI  320KBE130 SKF  CR76255 SKF  FYTBKC30NTR/VE495 SKF  NU1064MA GMN  7236AC/DT

版权所有©2009-2015 轴承狗zcgou.com ICP备案:津ICP备14004550号-13