SKF2x7206BECBM*轴承详细参数

发布时间:2026-04-19
角接触球轴承, 单列,用于配对安装, 面对面配对
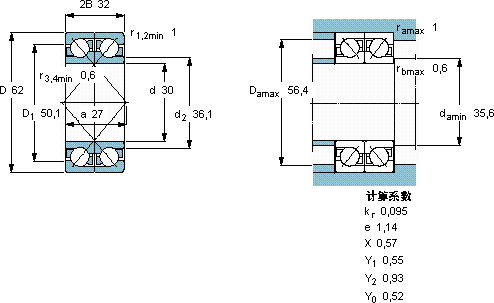
主要数据尺寸 基本负荷额定值 疲劳负荷限值 额定速度 体积 型号 轴承配对
动态 静态 参照速度 限制速度
d D 2B C C0 Pu * - SKF Explorer 轴承
mm kN kN r/min kg --
30623239311,3211000140000,422 × 7206 BECBM *DF

SKF2x7206BECBM*角接触球轴承供应商

八零动力专业销售2x7206BECBM*角接触球轴承,库存SKF2x7206BECBM*大量现货,与SKF合作,咨询热线:022-58519723业务咨询
SKF2x7206BECBM*它的可靠性,赢得了无数用户的信赖 这款轴承的稳定性极佳,在长时间运行中也能保持良好状态它的低摩擦设计,减少了能量损耗 机械的心脏这轴承的质量过硬,经得起时间和高强度工作的考验卓越的性能表现,使这款轴承在市场上拥有良好的口碑,八零动力SKF角接触球轴承品种全,价格优,质量有保证!

用户关注最多的SKF轴承型号

SKF2205EKTN9 SKF31326XJ2/DF SKF89307TN SKFB7217C.T.P4S.UL SKFBT4B334106BG/HA1C300VA901 SKFCR55X80X8HMSA10V SKFFSNL526TURU SKFN2208 SKFN222E SKFNJ2211ECML* SKFNJ224ECP* SKFPF35TR SKFPCM222520B SKFPFD1.7/16ATF SKFSAF23038KAx6.7/8

2x7206BECBM*角接触球轴承近似的SKF轴承型号

SKF7206BEGBP* SKF7206B/DB SKF7206C/DB SKF7206B/DT SKF7206BECBY SKF7206B/DF SKF7206AC/DT SKF7206BECBM* SKF2x7206BECAP* SKF7206AC/DF SKF2x7206BECAP* SKF2x7206BECBP*

用户关注最多的轴承狗热门型号

INA  GE250-LO KINGON  MR149ZZ 国产  UCP308 国产  NN3020K NSK  53418XU NTN  GE50ES-2RS TIMKEN  DV-53 NSK  51264X SKF  234716B FYH  UEL315 LYC  NJ 1018 M 国产  6308-2Z/Z3 RHP  7213B IKO  GE12G IKO  MXDC45

版权所有©2009-2015 轴承狗zcgou.com ICP备案:津ICP备14004550号-13