SKF7206BECBY轴承详细参数

发布时间:2026-04-14
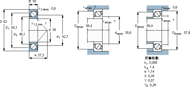
角接触球轴承, 单列
主要数据尺寸 尺寸 [英寸] 疲劳负荷限值 额定速度 体积 型号
动态 静态 参照速度 限制速度
d D B C C0 Pu
mm kN kN r/min kg -
30621623,815,60,65513000130000,217206 BECBY

SKF7206BECBY角接触球轴承供应商

八零动力专业销售7206BECBY角接触球轴承,库存SKF7206BECBY大量现货,与SKF合作,咨询热线:022-58519723业务咨询
SKF7206BECBY它的精密装配,确保了整体性能的卓越 轴承的选材精良,确保了其具有良好的耐磨性和抗腐蚀性它的加工设备,代表了世界领先水平 为您的机械提供持久动力,要设备更出色它在印刷机械中的应用,展现了它的高精度 ,八零动力SKF角接触球轴承品种全,价格优,质量有保证!

用户关注最多的SKF轴承型号

SKF23044-2CS5/VT143* SKF32018X/QDF SKF6315/VA201 SKF71922CD/HCP4A SKF7207C SKF7219AC/DB SKFBT4B332997B/HA1 SKFCR400181 SKFCR45X68X12HMSA10V SKFCR63717 SKFFSYE5 SKFKRV72PPA SKFNU305ECML* SKFSNL230/500FTURT SKFW36

7206BECBY角接触球轴承近似的SKF轴承型号

SKF7206BEGAY SKF7206BECAP* SKF2x7206BECAP* SKF7206C/DT SKF7206BEP SKF2x7206BEGAP* SKF2x7206BECBP* SKF7206BECBP* SKF7206B SKF2x7206BEGBP* SKF7206BECBP* SKF7206BEGAP*

用户关注最多的轴承狗热门型号

LYC  6304 E-2RZ/C3LHT SKF  QJ324N2MA SKF  PF45TR TIMKEN  HM215249/HM215210 FAG  21309-E1-K MRC  635 SKF  CR99317 NSK  LM1416 INA  LTE30-Tr20x4-A INA  PCFTR17 KOYO  RF406032A FAG  ZRB72X100-QP LYC  NNU 4960 K/W33 SP INA  KGX24 LYC  1207

版权所有©2009-2015 轴承狗zcgou.com ICP备案:津ICP备14004550号-13