TIMKEN MB28轴承附件参数图纸

发布时间:2026-04-14
轴承型号 MB28
内径(d) 140
外径(D) 135
厚度(B) 16
类别 轴承附件
详细类别 锁紧垫圈
型号MB28轴承
轴承类型锁紧垫圈
备注
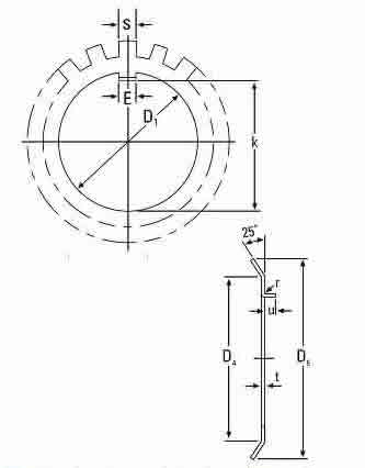
D1140
k135
E16
t2
S14
D4160
D5192
r1.5
u8
锁片个数19
kg(100PCS)14.200
锁紧螺母 KM28

TIMKEN MB28轴承附件供应商

八零动力专业销售MB28轴承附件,库存TIMKENMB28轴承附件大量现货,与美国TIMKEN铁姆肯常年合作,批量订购MB28轴承,咨询热线:022-58519723业务咨询
TIMKEN MB28轴承,我选八零动力,深沟球轴承品种全,价格优,质量有保证!大客户热线:022-58519722
TIMKEN MB28轴承 引领行业速度,我们的轴承始终稳如磐石它的抗冲击能力,让它经久不衰 它的疲劳强度,确保了长期使用的可靠性 其设计和制造工艺都达到了国际先进水平,是一款优质轴承顺滑无声优秀的设计让这款轴承在运行时更加高效节能

与MB28轴承附件近似的TIMKEN轴承型号

TIMKEN MBL28 TIMKEN KML28 TIMKEN AOH3284 TIMKEN AOH3288 TIMKEN HMV-28 TIMKEN KM28 TIMKEN AOH3280 TIMKEN MB28

用户关注最多的TIMKEN轴承型号

TIMKEN 49577/49520 TIMKEN 376/374 TIMKEN 71425/71750 TIMKEN HM89449/HM89410-B TIMKEN 160RN30 TIMKEN 320RF92 TIMKEN 22213CJ TIMKEN 22232CJ TIMKEN 39KT TIMKEN 140TPS159 TIMKEN E55KRR TIMKEN RA102RR TIMKEN 36690/36620D+X2S-36690 TIMKEN HM237532/HM237510CD+HM237532XC TIMKEN 93775/93127CD+X1S-93775

用户关注最多的轴承狗热门型号

FAG  SD560-N-FZ-BF-L + 22260-K-MB KOYO  260FC165880 NSK  23040CAME4 NTN  6907LLB NSK  22328CKE4 SNR  6019N TIMKEN  395A/394D KOYO  6011-2RS RHP  7324B/DT SKF  NJ208ECP INA  GIR10-DO BARDEN  71932C/DB NACHI  5201NR IKO  BHA2220Z IKO  LRXDG45

版权所有©2009-2015 轴承狗zcgou.com ICP备案:津ICP备14004550号-13