SKF7206BEGAY轴承详细参数

发布时间:2026-05-30
角接触球轴承, 单列
主要数据尺寸 尺寸 [英寸] 疲劳负荷限值 额定速度 体积 型号
动态 静态 参照速度 限制速度
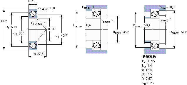
d D B C C0 Pu
mm kN kN r/min kg -
30621623,815,60,65513000130000,217206 BEGAY

SKF7206BEGAY角接触球轴承供应商

八零动力专业销售7206BEGAY角接触球轴承,库存SKF7206BEGAY大量现货,与SKF合作,咨询热线:022-58519723业务咨询
SKF7206BEGAY它在风力发电中的应用,为清洁能源贡献力量 质量无可挑剔的轴承,为设备的高效运作提供了有力支持高精度的制造工艺,让这款轴承的性能更加出色先进的制造工艺,让这款轴承的性能更加稳定可靠它的模块化设计,让安装和更换变得轻松便捷 卓越的性能和可靠的质量,让这款轴承成为市场的宠儿,八零动力SKF角接触球轴承品种全,价格优,质量有保证!

用户关注最多的SKF轴承型号

SKF23956CC/W33 SKF23980CCK/W33* SKF6032-RS1 SKF61814-2RZ SKF7315BECBM* SKFCR16532 SKFCR25x52x8HMS4R SKFCR29112 SKFCR544257 SKFCR72X95X10HMS5RG SKFCRMVR1-70 SKFCR9X22X7HMS5RG SKFK10x13x16TN SKFNU419 SKFSYFL35TH

7206BEGAY角接触球轴承近似的SKF轴承型号

SKF7206B/DF SKF7206AC SKF7206C/DF SKF7206C SKF2x7206BEGAP* SKF2x7206BECBM* SKF7206BECBP SKF7206BEP SKF2x7206BEGBP* SKF7206BECAP* SKF7206BEGAP* SKF7206BEGBP*

用户关注最多的轴承狗热门型号

SKF  PCMS1005002.0M LYC  LY-N051 KOYO  23164RK+AH3164 SKF  P30WF FAG  BND2244-Z-Y-BF-S MRC  7217C/DF TIMKEN  776/774D/X2S-776 NSK  240/800CAE4 FAG  BND3168-H-C-Y-AF-S SKF  NJ207ECP TIMKEN  32006X /32006X NACHI  22322AEXW33K SKF  619/1060MB SKF  SY7/8TF RHP  7330B/DF

版权所有©2009-2015 轴承狗zcgou.com ICP备案:津ICP备14004550号-13