SKF7206BECBM*轴承详细参数

发布时间:2026-04-15
角接触球轴承, 单列
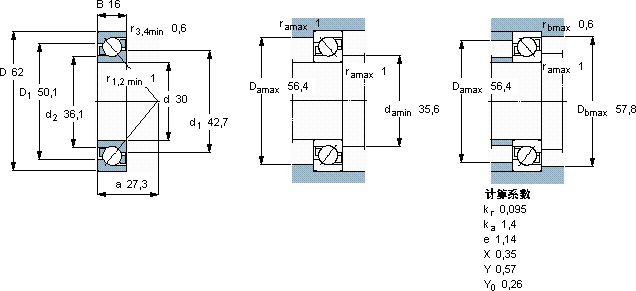
主要数据尺寸 尺寸 [英寸] 疲劳负荷限值 额定速度 体积 型号
动态 静态 参照速度 限制速度
d D B C C0 Pu * - SKF Explorer 轴承
mm kN kN r/min kg -
3062162415,60,65514000140000,217206 BECBM *

SKF7206BECBM*角接触球轴承供应商

八零动力专业销售7206BECBM*角接触球轴承,库存SKF7206BECBM*大量现货,与SKF合作,咨询热线:022-58519723业务咨询
SKF7206BECBM*它的设计巧妙,在保证性能的同时,还兼顾了安装的便捷性轴承的耐用性出色,能够长时间保持良好的工作状态从制造工艺到实际性能,这款轴承都表现得十分出色,它在农业机械中的应用,展现了它的耐用性 品质卓越的它,为机械设备的稳定、高效运行提供了支持它在航空航天领域的应用,展现了它的高可靠性 ,八零动力SKF角接触球轴承品种全,价格优,质量有保证!

用户关注最多的SKF轴承型号

SKF353150A SKF6005-RZ SKFBS2-2314-2CS/VT143* SKFCR25X45X7HMSA10RG SKFCR28X47X10HMSA10V SKFCR35x62x8CRW1R SKFCR63X90X10HMS5V SKFGEZM108ES-2RS SKFHMVC11E SKFNJ232ECM SKFNNC4928CV SKFOKC780 SKFPWM505860 SKFR4 SKFSAKAC10M

7206BECBM*角接触球轴承近似的SKF轴承型号

SKF7206C SKF2x7206BEGAP* SKF2x7206BECAP* SKF7206BECBY SKF2x7206BEGAY SKF7206AC/DB SKF2x7206BEGBY SKF7206BEP SKF7206BEGAY SKF7206C/DT SKF7206BECAP* SKF7206BECBP*

用户关注最多的轴承狗热门型号

SKF  CR18546 STEYR  16008 ASK  NJ2226 LYC  24138 CAK30/C2W33 KOYO  6204-RZ SKF  7334BCBM SKF  81272 INA  TKSD55-U SKF  YAR210-115-2FW/VA228 FAG  23128-E1-K-TVPB + H3128 STEYR  6007-2Z LYC  23140/W33 LYC  191.32.3150.990.41.1502 FAG  HC7007-E-T-P4S NSK  7205A5TYNDBLP4

版权所有©2009-2015 轴承狗zcgou.com ICP备案:津ICP备14004550号-13