SKF2x7206BECBP*轴承详细参数

发布时间:2026-04-14
角接触球轴承, 单列,用于配对安装, 面对面配对
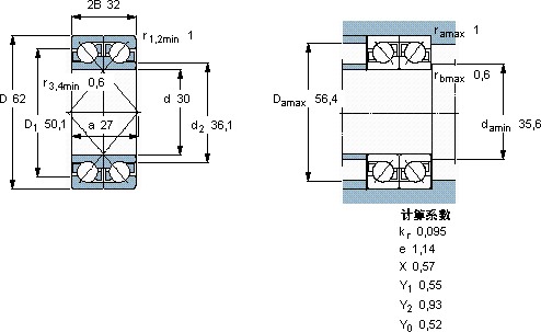
主要数据尺寸 基本负荷额定值 疲劳负荷限值 额定速度 体积 型号 轴承配对
动态 静态 参照速度 限制速度
d D 2B C C0 Pu * - SKF Explorer 轴承
mm kN kN r/min kg --
30623239311,3211000140000,382 × 7206 BECBP *DF

SKF2x7206BECBP*角接触球轴承供应商

八零动力专业销售2x7206BECBP*角接触球轴承,库存SKF2x7206BECBP*大量现货,与SKF合作,咨询热线:022-58519723业务咨询
SKF2x7206BECBP*轴承的稳定性和可靠性都十分出色,赢得了用户的信赖设计合理、性能优良的它,是机械设备实现高效运行的重要保障是您设备高效运转的可靠伙伴,它的抗震性能,确保了它在振动环境下的可靠性 高精度与高可靠性的完美结合,成就了这款杰出的轴承它的旋转精度,让高速运转成为现实 ,八零动力SKF角接触球轴承品种全,价格优,质量有保证!

用户关注最多的SKF轴承型号

SKF22207E* SKF23268CA/W33 SKF24056CACK30/W33 SKF54208U SKF627-RZ SKF7008ACE/HCP4A SKF81134TN SKFC3196KMB* SKFCR22363 SKFCR35x65x8CRW1R SKFCR610x660x20HDS2R SKFNJ204ECML SKFNNF5017ADA-2LSV SKFNNF5044ADA-2LSV SKFS71906CD/P4A

2x7206BECBP*角接触球轴承近似的SKF轴承型号

SKF7206BECBM* SKF2x7206BEGBP* SKF7206B/DF SKF7206BEGBY SKF7206BECBM SKF7206BEP SKF2x7206BEGBY SKF7206AC/DF SKF7206AC/DB SKF7206B/DT SKF2x7206BECBM* SKF2x7206BECBY

用户关注最多的轴承狗热门型号

TORRINGTON  22212CCK/W33+H312 TIMKEN  9074/9195 GMN  7208AC/DB SKF  30218J2 FAG  HCB71905-C-T-P4S INA  K65X73X23 FAG  HS7019-E-T-P4S LYC  51280/P5 STEYR  54213 INA  NK90/25 MRC  6013N SYEYR  NU2317E INA  LFE12-1 LYC  NU 426 Q1/P6YB ASK  NU2315

版权所有©2009-2015 轴承狗zcgou.com ICP备案:津ICP备14004550号-13