SKF7206BEY轴承详细参数

发布时间:2026-04-14
角接触球轴承, 单列
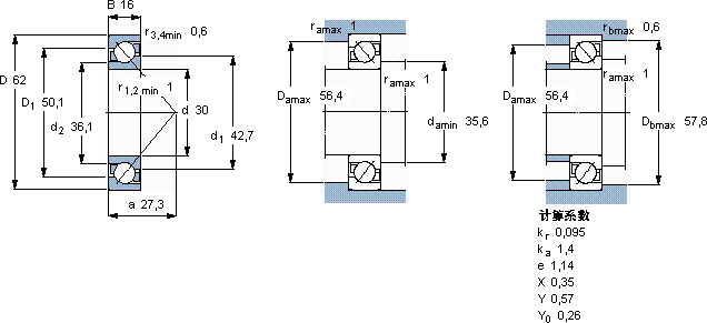
主要数据尺寸 尺寸 [英寸] 疲劳负荷限值 额定速度 体积 型号
动态 静态 参照速度 限制速度
d D B C C0 Pu
mm kN kN r/min kg -
30621623,815,60,65513000130000,217206 BEY

SKF7206BEY角接触球轴承供应商

八零动力专业销售7206BEY角接触球轴承,库存SKF7206BEY大量现货,与SKF合作,咨询热线:022-58519723业务咨询
SKF7206BEY它的润滑技术,减少了润滑剂的使用 高精度与高可靠性的完美结合,成就了这款杰出的轴承它的耐高温性能,让它在极端环境下依然稳定运行 减少摩擦降低能耗质量无可比拟的轴承,在行业内树立了良好的品质标杆它的承载能力,堪称机械界的“大力士” ,八零动力SKF角接触球轴承品种全,价格优,质量有保证!

用户关注最多的SKF轴承型号

SKF22205EK* SKF31316J1/QCL7CDF SKF6305/HR22T2 SKF70/900AMB SKF71910CD/P4A SKF7214BECBP SKF7222AC SKFBMB-6202/032S2/EA002A SKFCR18050 SKFCR48692 SKFCR70080 SKFKMFE13 SKFNNCL4844CV SKFPCM14014560E SKFQJ213MA

7206BEY角接触球轴承近似的SKF轴承型号

SKF7206BEGBP* SKF7206AC SKF7206B/DB SKF7206AC/DF SKF7206AC/DB SKF2x7206BECAP* SKF7206AC/DT SKF7206BEY SKF7206BEGAP* SKF7206BECBM* SKF7206BEP SKF7207AC

用户关注最多的轴承狗热门型号

LYC  NA 6905 A/P5 SKF  BS2-2213-2CSK/VT143* SKF  NJ332ECM RHP  7214C/DF STEYR  NU220E NTN  7017AC SKF  CR160X185X15HMS5V SKF  N1008KTN/HC5SP SKF  CR86563 SKF  NU212ECJ* TIMKEN  555-S/552 KOYO  NF332 RHP  71940AC IKO  IRB1612 IKO  RNA4924U

版权所有©2009-2015 轴承狗zcgou.com ICP备案:津ICP备14004550号-13