SKF239/710CA/W33*轴承详细参数

发布时间:2026-05-30
球面滚子轴承, 圆柱和圆锥孔, 圆柱型内孔, 无密封件
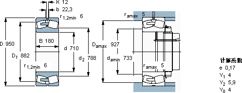
主要数据尺寸 基本负荷额定值 疲劳负荷限值 额定速度 体积 型号
动态 静态 参照速度 限制速度
d D B C C0 Pu * - SKF Explorer 轴承
mm kN kN r/min kg -
710950180560012000765340600365239/710 CA/W33 *

SKF239/710CA/W33*球面滚子轴承供应商

八零动力专业销售239/710CA/W33*球面滚子轴承,库存SKF239/710CA/W33*大量现货,与SKF合作,咨询热线:022-58519723业务咨询
SKF239/710CA/W33*精湛的制造工艺赋予了这款轴承出色的性能和可靠性它的精准度,让机械运转分毫不差 它的加工精度,确保了机械运转的稳定性 设计独特、性能优越的轴承,满足了不同用户的需求它的耐高温性能,减少了冷却系统的能耗 它的沟槽设计,完美匹配滚动体的运动轨迹 ,八零动力SKF球面滚子轴承品种全,价格优,质量有保证!

用户关注最多的SKF轴承型号

SKF316353DC SKF30315J2/Q SKF6028-Z SKF613328A SKF618/850MA SKF7011CD/P4A SKFC3140* SKFC7014DB/P7 SKFCR145X164X14CRSA1R SKFCR77996 SKFHM88649/2/610/2/QCL7C SKFN710 SKFNJ2212ECML* SKFSC71922FB/P7 SKFSY1.1/4FM

239/710CA/W33*球面滚子轴承近似的SKF轴承型号

SKF23938CC/W33 SKF23944CCK/W33 SKF239/560CAK/W33+OH39/560H* SKF23984CC/W33* SKF23964CC/W33* SKF239/1060CAK/W33+OH39/1060H SKF239/600CAK/W33* SKF239/500CA/W33* SKF23938CCK/W33 SKF23972CC/W33* SKF239/710CAK/W33* SKF239/750CAK/W33+OH39/750H*

用户关注最多的轴承狗热门型号

FAG  23034-E1A-K-M + AH3034 FAG  SNV190-L + 1318-K-M-C3 + H318X302 + DH518 SKF  NCF29/600V SKF  70/1000AMB SKF  NUP212ECJ* TIMKEN  K8X12X10F KOYO  570/563 STEYR  6240 NACHI  6222N NACHI  NP318 BARDEN  7001C SKF  NNU4972/W33 国产  62/22-ZNR INA  IR17X20X16,5 SKF  NUP2216E

版权所有©2009-2015 轴承狗zcgou.com ICP备案:津ICP备14004550号-13