SKF239/530CA/W33*轴承详细参数

发布时间:2026-05-30
球面滚子轴承, 圆柱和圆锥孔, 圆柱型内孔, 无密封件
主要数据尺寸 基本负荷额定值 疲劳负荷限值 额定速度 体积 型号
动态 静态 参照速度 限制速度
d D B C C0 Pu * - SKF Explorer 轴承
mm kN kN r/min kg -
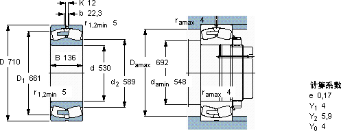
53071013632006700480500900155239/530 CA/W33 *

SKF239/530CA/W33*球面滚子轴承供应商

八零动力专业销售239/530CA/W33*球面滚子轴承,库存SKF239/530CA/W33*大量现货,与SKF合作,咨询热线:022-58519723业务咨询
SKF239/530CA/W33*先进的生产工艺,让这款轴承的性能得到了极大提升轴承的稳定性和可靠性都十分出色,赢得了用户的信赖为您的工程保驾护航,质量上乘的轴承,为设备的高效稳定运行奠定了基础引领行业速度,我们的轴承始终稳如磐石制造工艺先进,使得这款轴承的性能远超普通产品,八零动力SKF球面滚子轴承品种全,价格优,质量有保证!

用户关注最多的SKF轴承型号

SKF29288 SKF32212J2/Q SKF32234J2 SKF7217BECBM SKFCR165X190X15HMS5V SKFCR407254 SKFCR44X60X10HMS5V SKFCR99836 SKFNKIB5905 SKFNU1068MA SKFNU260MA SKFPCZ4432B SKFPWM100115100 SKFRNAO90x110x30 SKFSYR1.7/16-3

239/530CA/W33*球面滚子轴承近似的SKF轴承型号

SKF23976CC/W33* SKF239/560CA/W33* SKF239/750CA/W33* SKF239/800CAK/W33+OH39/800H* SKF239/600CAK/W33* SKF239/710CAK/W33+OH39/710H* SKF23992CAK/W33+OH3992H* SKF239/500CA/W33* SKF23944-2CS/VT143 SKF239/950CA/W33 SKF239/530CAK/W33* SKF239/560CAK/W33+OH39/560H*

用户关注最多的轴承狗热门型号

SKF  CR50148 NACHI  7236DT LYC  NJP 3226 X1K1/02 FLT  N408 SKF  29424 国产  61908-RS NSK  7BGR10H LYC  NJ 2219 M FAG  SNV280-L + 22326-E1-K + H2326 + DHV526 NSK  6817NR SKF  NUP219ECML* NTN  6318N FYH  UELFU212 NACHI  22315AEXK IKO  CF24-1R

版权所有©2009-2015 轴承狗zcgou.com ICP备案:津ICP备14004550号-13