SKF239/1060CAK/W33+OH39/1060H轴承详细参数

发布时间:2026-04-14
球面滚子轴承, 带紧定套的
主要数据尺寸 基本负荷额定值 疲劳负荷限值 额定速度 体积 型号
动态 静态 参照速度 限制速度 轴承 + 紧定套
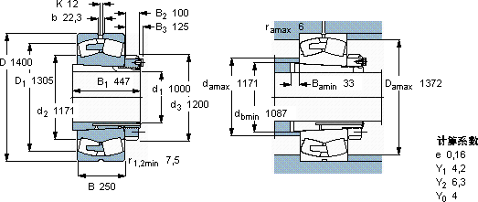
d1 D B C C0 Pu
mm kN kN r/min kg -
1000140025095502600014601803601590239/1060 CAK/W33 + OH 39/1060 H

SKF239/1060CAK/W33+OH39/1060H球面滚子轴承供应商

八零动力专业销售239/1060CAK/W33+OH39/1060H球面滚子轴承,库存SKF239/1060CAK/W33+OH39/1060H大量现货,与SKF合作,咨询热线:022-58519723业务咨询
SKF239/1060CAK/W33+OH39/1060H它的密封性能,减少了润滑剂的泄漏 它的滚动体分布均匀,运转平稳无振动 开启顺畅运行新时代,让您的机械如虎添翼,其质量上乘,是众多机械设备不可或缺的优质配件引领行业速度,我们的轴承始终稳如磐石,八零动力SKF球面滚子轴承品种全,价格优,质量有保证!

用户关注最多的SKF轴承型号

SKF32956 SKF6300/HR11QN SKF7019CD/HCP4A SKF7028C/DB SKF7232B SKFC39/500M* SKFCR20735 SKFCR23746 SKFCR32X45X8HMSA10V SKFCR38X52X8HMSA10V SKFNJ311ECML* SKFNU19/600ECMA/HA1 SKFPDNB214 SKFRNU2307 SKFSYF50FM

239/1060CAK/W33+OH39/1060H球面滚子轴承近似的SKF轴承型号

SKF239/670CAK/W33+OH39/670H* SKF239/530CAK/W33+OH39/530H* SKF23964CC/W33* SKF23944-2CS/VT143 SKF239/850CAK/W33+OH39/850H* SKF23952CCK/W33 SKF239/800CAK/W33* SKF239/560CAK/W33* SKF239/670CA/W33* SKF23968CCK/W33+OH3968H* SKF23996CA/W33* SKF239/1060CAF/W33

用户关注最多的轴承狗热门型号

KOYO  NJ310+HJ310 国产  6317-2Z SKF  32006 NACHI  E17717 LYC  490KV6201GS3/C9 SKF  CR4931 FAG  BND3032-H-C-Y-AL-S SKF  6413N NSK  6930 NTN  UE201 FAG  SNV052-L + 20205-K-TVP-C3 + H205X013 + TSV505X013 NTN  7006AC/DT LYC  21309 CA/W33 STEYR  6222-2Z INA  KUVE20-B-KT-S

版权所有©2009-2015 轴承狗zcgou.com ICP备案:津ICP备14004550号-13