SKF239/950CA/W33轴承详细参数

发布时间:2026-04-14
球面滚子轴承, 圆柱和圆锥孔, 圆柱型内孔, 无密封件
主要数据尺寸 基本负荷额定值 疲劳负荷限值 额定速度 体积 型号
动态 静态 参照速度 限制速度
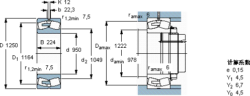
d D B C C0 Pu
mm kN kN r/min kg -
95012502247250196001120220430755239/950 CA/W33

SKF239/950CA/W33球面滚子轴承供应商

八零动力专业销售239/950CA/W33球面滚子轴承,库存SKF239/950CA/W33大量现货,与SKF合作,咨询热线:022-58519723业务咨询
SKF239/950CA/W33精湛的制造工艺赋予了这款轴承出色的性能和可靠性设计合理、性能优良的它,是机械设备实现高效运行的重要保障优秀的设计让这款轴承在运行时更加高效节能它机械世界的心脏,默默支撑着无数设备的运转 它的可靠性,赢得了无数用户的信赖 它的轻量化设计,减少了材料的使用 ,八零动力SKF球面滚子轴承品种全,价格优,质量有保证!

用户关注最多的SKF轴承型号

SKF21308CC SKF6218-Z* SKF6308-2Z* SKF6312NR* SKF89415M SKFC2207KTN9+H307E* SKFCR11096 SKFGS811/630 SKFPCZ3640M SKFS71914CD/P4A SKFSNL3196GF SKFSY2.7/16TF/VA201 SKFSYR2.11/16NH-118 SKFUCFU217 SKFZ302

239/950CA/W33球面滚子轴承近似的SKF轴承型号

SKF239/500CA/W33* SKF239/950CAK/W33 SKF239/950CAK/W33+OH39/950H SKF23992CAK/W33* SKF23960CCK/W33 SKF23996CA/W33* SKF239/630CAK/W33+OH39/630H* SKF239/1060CAF/W33 SKF239/950CA/W33 SKF23944CC/W33 SKF239/950CAK/W33 SKF240/1000CAF/W33

用户关注最多的轴承狗热门型号

NMB  RF-1350ZZ 国产  3203A-ZTN1 TIMKEN  3767/3729D+X1S-3767 KOYO  47T986236 SKF  CR18x32x7CRW1R NTN  1318 NSK  2207 国产  51408 LYC  NJ 2216 EM/YB TIMKEN  558 /552-B 国产  NK40/30 TORRINGTON FAFNIR  3201A RHP  7316B/DB NSK  24138CK30E4 IKO  TAFI203220

版权所有©2009-2015 轴承狗zcgou.com ICP备案:津ICP备14004550号-13