SKF23944CCK/W33+OH3944H轴承详细参数

发布时间:2026-04-15
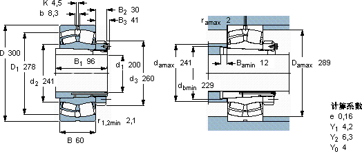
球面滚子轴承, 带紧定套的
主要数据尺寸 基本负荷额定值 疲劳负荷限值 额定速度 体积 型号
动态 静态 参照速度 限制速度 轴承 + 紧定套
d1 D B C C0 Pu
mm kN kN r/min kg -
200300605461080931900220022,523944 CCK/W33 + OH 3944 H

SKF23944CCK/W33+OH3944H球面滚子轴承供应商

八零动力专业销售23944CCK/W33+OH3944H球面滚子轴承,库存SKF23944CCK/W33+OH3944H大量现货,与SKF合作,咨询热线:022-58519723业务咨询
SKF23944CCK/W33+OH3944H其设计和制造都达到了极高的水准,是一款不可多得的轴承为您创造更多可能,不得不说,这款轴承的品质过硬,在行业内堪称典范,它的抗压强度,让它承载能力惊人 转动世界的精密之选,卓越的性能表现,让这款轴承在市场上脱颖而出,八零动力SKF球面滚子轴承品种全,价格优,质量有保证!

用户关注最多的SKF轴承型号

SKF239/950CA/W33 SKF3314A* SKF332060 SKF7022AC/DT SKF71812CD/P4A SKF7236AC/DT SKFBS2-2309-2CSK/VT143* SKFCR22430 SKFCR40X72X10HMS5V SKFHM807046/010/QCL7C SKFNCF2932CV SKFNJ2207E+HJ2207E SKFS71910DB/P7 SKFSAW23540 SKFSNL3264F

23944CCK/W33+OH3944H球面滚子轴承近似的SKF轴承型号

SKF23944CCK/W33+OH3944H SKF23944-2CS/VT143 SKF23944CC/W33 SKF23944CCK/W33 SKF23944CCK/W33 SKF23944CC/W33

用户关注最多的轴承狗热门型号

SKF  23052CACK/33+H3052 SKF  KMTA6 NSK  6318DDU SKF  NU2206E TIMKEN  72187/72487 TIMKEN  EE526130/526190 NSK  7300ADT KOYO  32311C KOYO  2687/31 KOYO  24040RHA BARDEN  7232AC FAG  7317-B-JP SKF  627-2RS FLT  NU421 IKO  IRB1110

版权所有©2009-2015 轴承狗zcgou.com ICP备案:津ICP备14004550号-13