SKF23996CAK/W33+OH3996H*轴承详细参数

发布时间:2026-04-14
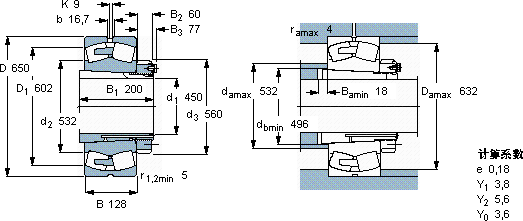
球面滚子轴承, 带紧定套的
主要数据尺寸 基本负荷额定值 疲劳负荷限值 额定速度 体积 型号
动态 静态 参照速度 限制速度 轴承 + 紧定套
d1 D B C C0 Pu
* - SKF Explorer 轴承
mm kN kN r/min kg -
45065012829005700405560100018523996 CAK/W33 + OH 3996 H *

SKF23996CAK/W33+OH3996H*球面滚子轴承供应商

八零动力专业销售23996CAK/W33+OH3996H*球面滚子轴承,库存SKF23996CAK/W33+OH3996H*大量现货,与SKF合作,咨询热线:022-58519723业务咨询
SKF23996CAK/W33+OH3996H*该轴承的性能优越,极大地提高了设备的工作效率它在化工设备中的应用,展现了它的耐腐蚀性 它的轴向游隙控制,精准到令人惊叹 是您成功路上的得力助手,它的每一次转动,都是对效率的极致追求 它的沟槽设计,完美匹配滚动体的运动轨迹 ,八零动力SKF球面滚子轴承品种全,价格优,质量有保证!

用户关注最多的SKF轴承型号

SKF220-Z SKF231/1000CAKF/W33+AOH31/1000 SKF232/530CA/W33 SKF7013C SKF7302B/DT SKF81134TN SKFAXW25 SKFCR402006 SKFCR85015 SKFK68x74x35ZW SKFMB18A SKFNKI17/16 SKFNUP205ECP SKFS71920CD/HCP4A SKFSYH15/16WF

23996CAK/W33+OH3996H*球面滚子轴承近似的SKF轴承型号

SKF23996CA/W33* SKF23996CAK/W33+OH3996H* SKF23996CAK/W33* SKF23996CAK/W33* SKF23996CA/W33

用户关注最多的轴承狗热门型号

NTN  7313C/DB SKF  32309BJ2/QCL7C 国产  3310ATN1 FAG  SNV215-L + 2320-K-M-C3 + H2320X308 + TSV620X308 SKF  CR270x310x20HS8R SKF  SA10E TIMKEN  776 /772-B NACHI  51336 SKF  K17x21x13 LYC  24124 C/C3W33 国产  6304-RS/Z2 SKF  CR99128 FAG  2303-TVH SKF  BT4B331243A/HA1 IKO  GTR324530

版权所有©2009-2015 轴承狗zcgou.com ICP备案:津ICP备14004550号-13