SKF239/500CA/W33*轴承详细参数

发布时间:2026-04-15
球面滚子轴承, 圆柱和圆锥孔, 圆柱型内孔, 无密封件
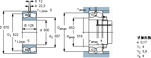
主要数据尺寸 基本负荷额定值 疲劳负荷限值 额定速度 体积 型号
动态 静态 参照速度 限制速度
d D B C C0 Pu * - SKF Explorer 轴承
mm kN kN r/min kg -
50067012829006000415530950130239/500 CA/W33 *

SKF239/500CA/W33*球面滚子轴承供应商

八零动力专业销售239/500CA/W33*球面滚子轴承,库存SKF239/500CA/W33*大量现货,与SKF合作,咨询热线:022-58519723业务咨询
SKF239/500CA/W33*它的可回收性,体现了环保理念 它的多样化应用,展现了它的无限可能 它的轻量化设计,减少了材料的使用 设计合理、性能优良的它,是机械设备实现高效运行的重要保障轴承的选材优质,确保了其在各种环境下都能稳定工作它的可靠性,赢得了无数用户的信赖 ,八零动力SKF球面滚子轴承品种全,价格优,质量有保证!

用户关注最多的SKF轴承型号

SKF1205K SKF1313 SKF31310J2/QCL7CDF* SKF6207-RS1* SKF6314-Z* SKF7320BEM SKF7324BCBM SKFCR1055x1100x25HS8D SKFCR1650255 SKFCR23843 SKFCR75X105X10HMS5RG SKFFSNL611TURU SKFH2338 SKFNJ2205ECP SKFSDAF23180KAx14.15/16

239/500CA/W33*球面滚子轴承近似的SKF轴承型号

SKF23960CC/W33 SKF239/600CAK/W33+OH39/600H* SKF23976CC/W33* SKF23940CCK/W33+H3940 SKF23988CCK/W33* SKF239/750CAK/W33+OH39/750H* SKF239/630CAK/W33+OH39/630H* SKF23972CCK/W33+OH3972H* SKF23988CC/W33* SKF23952CC/W33 SKF239/500CAK/W33* SKF239/530CAK/W33+OH39/530H*

用户关注最多的轴承狗热门型号

NACHI  170KBE030 NACHI  9385/9321 INA  GE340-DW MRC  7213C/DF NTN  NN3084 FAG  SNV100-L + 22211-E1-K + H311X200 + DHV511 国产  3204ANRTN1 SKF  6202/HR22Q2 TIMKEN  67791/67720 NSK  NJ2207ET SKF  CR6231 NACHI  NJ207EG SKF  NNF5013ADA-2LSV SKF  NK10/12 GMN  7206AC/DT

版权所有©2009-2015 轴承狗zcgou.com ICP备案:津ICP备14004550号-13