SKF239/1180CAF/W33轴承详细参数

发布时间:2026-05-29
球面滚子轴承, 圆柱和圆锥孔, 圆柱型内孔, 无密封件
主要数据尺寸 基本负荷额定值 疲劳负荷限值 额定速度 体积 型号
动态 静态 参照速度 限制速度
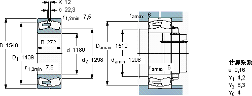
d D B C C0 Pu
mm kN kN r/min kg -
11801540272111003100016601503001400239/1180 CAF/W33

SKF239/1180CAF/W33球面滚子轴承供应商

八零动力专业销售239/1180CAF/W33球面滚子轴承,库存SKF239/1180CAF/W33大量现货,与SKF合作,咨询热线:022-58519723业务咨询
SKF239/1180CAF/W33是您值得信赖的工业伙伴,为您的机械保驾护航轴承的耐用性极佳,为设备的长期稳定运行提供了保障这款轴承的精度极高,能够满足对精度要求苛刻的设备它的轴向跳动控制,确保了机械的平稳运行 它的质量过硬,为机械设备的高效、安全运行提供了保障它的耐高温性能,减少了冷却系统的能耗 ,八零动力SKF球面滚子轴承品种全,价格优,质量有保证!

用户关注最多的SKF轴承型号

SKF23072CACK/W33 SKF24052CAC/W33 SKF29356 SKF7007ACD/HCP4A SKFC71913FB/P7 SKFCR17415 SKFGE12E SKFNCF3038CV SKFNNCF4872CV SKFNU207ECP/W64* SKFNU211ECM* SKFNU2207E SKFNUP312E SKFS7009DB/P7 SKFTVN314WA

239/1180CAF/W33球面滚子轴承近似的SKF轴承型号

SKF23944-2CS/VT143 SKF23976CC/W33* SKF239/750CAK/W33+OH39/750H* SKF239/1060CAK/W33+OH39/1060H SKF239/530CAK/W33* SKF23938CCK/W33+H3938 SKF23960CCK/W33+OH3960H* SKF23936CCK/W33+H3936 SKF23940CCK/W33 SKF239/900CA/W33* SKF239/1060CAKF/W33 SKF239/1180CAKF/W33

用户关注最多的轴承狗热门型号

NSK  24128CK30E4 SKF  CR596400 LYC  NJP 3226 X1K2 TIMKEN  53177/53376D/X2S-53176 SKF  TU1.1/16TF BARDEN  7022AC/DT MRC  7213C RHP  2310 SKF  FBSA204/QFC SKF  UC211 LYC  52204 MRC  7334B/DF NACHI  6818NR IKO  TA1620Z IKO  LHS20

版权所有©2009-2015 轴承狗zcgou.com ICP备案:津ICP备14004550号-13