SKF23996CA/W33*轴承详细参数

发布时间:2026-05-29
球面滚子轴承, 圆柱和圆锥孔, 圆柱型内孔, 无密封件
主要数据尺寸 基本负荷额定值 疲劳负荷限值 额定速度 体积 型号
动态 静态 参照速度 限制速度
d D B C C0 Pu * - SKF Explorer 轴承
mm kN kN r/min kg -
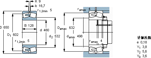
48065012829005700405560100012523996 CA/W33 *

SKF23996CA/W33*球面滚子轴承供应商

八零动力专业销售23996CA/W33*球面滚子轴承,库存SKF23996CA/W33*大量现货,与SKF合作,咨询热线:022-58519723业务咨询
SKF23996CA/W33*精密与耐用的完美结合,它的高效率,让机械运转更加节能 轴承的耐用性极佳,能够承受高强度的工作负荷轴承的耐用性强,减少了设备的停机维护时间它在航空航天领域的应用,展现了它的高可靠性 它的尺寸精度,达到了微米级的极致 ,八零动力SKF球面滚子轴承品种全,价格优,质量有保证!

用户关注最多的SKF轴承型号

SKF29317E* SKF331465 SKF51322M SKF71911ACE/P4A SKFBTM130A/P4CDBA SKFCR37X62X9CRSH13R SKFCR58x90x8CRW1R SKFCR60X85X10HMS5RG SKFCR99484 SKFHCCE040R SKFMB5A SKFNJ310ECM* SKFNNC4934CV SKFS7008ACD/P4A SKFSY20FM

23996CA/W33*球面滚子轴承近似的SKF轴承型号

SKF23996CA/W33* SKF23996CAK/W33* SKF23996CAK/W33+OH3996H* SKF23996CA/W33 SKF239/1060CAK/W33+OH39/1060H

用户关注最多的轴承狗热门型号

RHP  7208C/DB NSK  2210 BARDEN  71910C/DB SKF  CR60x80x8CRW1V LYC  607 ZZ SKF  NNU6930V SKF  331157BG TIMKEN  399A/394D FAG  SNV240-L + 22322-E1-K + H2322X312 + DHV522X312 LYC  BFCDP 100144530/YA/P6 KOYO  23244CC/W33 FAG  29244-E1-MB NSK  230/630CAE4 INA  KTNOS12-C-PP-AS IKO  WS120155

版权所有©2009-2015 轴承狗zcgou.com ICP备案:津ICP备14004550号-13