SKF239/1060CAF/W33轴承详细参数

发布时间:2026-04-15
球面滚子轴承, 圆柱和圆锥孔, 圆柱型内孔, 无密封件
主要数据尺寸 基本负荷额定值 疲劳负荷限值 额定速度 体积 型号
动态 静态 参照速度 限制速度
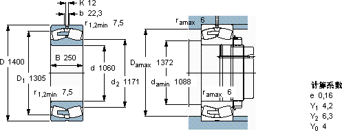
d D B C C0 Pu
mm kN kN r/min kg -
1060140025095502600014601803601100239/1060 CAF/W33

SKF239/1060CAF/W33球面滚子轴承供应商

八零动力专业销售239/1060CAF/W33球面滚子轴承,库存SKF239/1060CAF/W33大量现货,与SKF合作,咨询热线:022-58519723业务咨询
SKF239/1060CAF/W33它的润滑技术,让摩擦降至最低 它的品质卓越,是提升机械设备整体性能的关键所在制造工艺精湛,使得这款轴承的精度和稳定性都非常出色它的稳定性,让它在各种环境下都能可靠工作 它在电子设备中的应用,展现了它的高精密性 其质量上乘,是众多机械设备不可或缺的优质配件,八零动力SKF球面滚子轴承品种全,价格优,质量有保证!

用户关注最多的SKF轴承型号

SKF15103S/15243/Q SKF23048CCK/33+H3048 SKF2x7321BECBM SKF331503G/HA4 SKF891/1060M SKFCR34866 SKFCR47475 SKFCR526867 SKFFYK40TF SKFFYTB30TF SKFM95x2 SKFNU1088MA SKFPCM182015M SKFPCM9095100E SKFWS81213

239/1060CAF/W33球面滚子轴承近似的SKF轴承型号

SKF239/1060CAF/W33 SKF23948CCK/W33 SKF239/850CAK/W33+OH39/850H* SKF23956CCK/W33 SKF23996CAK/W33* SKF239/670CA/W33* SKF23968CCK/W33+OH3968H* SKF239/530CA/W33* SKF23984CCK/W33+OH3984H* SKF23972CC/W33* SKF239/1060CAK/W33+OH39/1060H SKF239/1060CAKF/W33

用户关注最多的轴承狗热门型号

INA  KTSG16-PP-AS TORRINGTON&FAFNIR  6212-Z LYC  22260/W33 LYC  23024 LYC  22230/W33 LYC  QJ 1036 N2Q1/P5C3S0 国产  NU311M NTN  22252CACK/W33 NTN  BK4520 NACHI  23032AXW33K FAG  HS7019-E-T-P4S NTN  NU2212 TIMKEN  EE192150/192200 SKF  BT4B334092AG/HA1 EASE  LB100150175

版权所有©2009-2015 轴承狗zcgou.com ICP备案:津ICP备14004550号-13