SKF23996CAK/W33*轴承详细参数

发布时间:2026-04-14
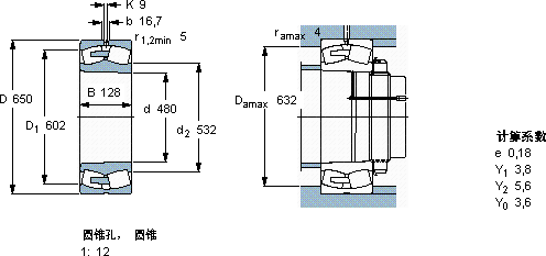
球面滚子轴承, 圆柱和圆锥孔, 圆锥型内孔, 无密封件
主要数据尺寸 基本负荷额定值 疲劳负荷限值 额定速度 体积 型号
动态 静态 参照速度 限制速度
d D B C C0 Pu * - SKF Explorer 轴承
mm kN kN r/min kg -
48065012829005700405560100012023996 CAK/W33 *

SKF23996CAK/W33*球面滚子轴承供应商

八零动力专业销售23996CAK/W33*球面滚子轴承,库存SKF23996CAK/W33*大量现货,与SKF合作,咨询热线:022-58519723业务咨询
SKF23996CAK/W33*它的抗氧化性能,延长了它的使用寿命 它在机器人领域的应用,展现了它的高精密性 它的加工精度,确保了机械运转的稳定性 它的耐腐蚀性,减少了维护成本 轴承的精度和稳定性都达到了行业顶尖水平稳定的传奇,八零动力SKF球面滚子轴承品种全,价格优,质量有保证!

用户关注最多的SKF轴承型号

SKF23122-2CS5K/VT143* SKF6002-RSH* SKF6008-Z* SKF61913 SKF71936ACD/P4A SKFCR30x55x7CRW1R SKFCR30x72x8CRW1R SKFCR3900564 SKFCR45X72X8HMSA10V SKFCR81352 SKFNKS60 SKFPF20FM SKFPWM11012580 SKFSYE1.7/16 SKFZW40x47

23996CAK/W33*球面滚子轴承近似的SKF轴承型号

SKF23996CA/W33* SKF23996CAK/W33+OH3996H* SKF23996CAK/W33* SKF239/950CA/W33 SKF23996CAK/W33+OH3996H*

用户关注最多的轴承狗热门型号

FAG  23232-E1A-K-M + AH3232G NACHI  3379/3320 SKF  CR12X30X7HMS5RG KOYO  61940 TORRINGTON&FAFNIR  6304 SKF  BC4-8037/HA1VA907 INA  GRAE50-NPP-B-FA125.5 BARDEN  7006C/DT NSK  7230ADF LYC  380688 X2 KOYO  F688 KOYO  2215K LYC  23124 K/W33 NACHI  5214ZZ IKO  LRTZ324037

版权所有©2009-2015 轴承狗zcgou.com ICP备案:津ICP备14004550号-13