SKF23252CCK/W33+OH2352H*轴承详细参数

发布时间:2026-04-15
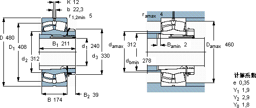
球面滚子轴承, 带紧定套的
主要数据尺寸 基本负荷额定值 疲劳负荷限值 额定速度 体积 型号
动态 静态 参照速度 限制速度 轴承 + 紧定套
d1 D B C C0 Pu
* - SKF Explorer 轴承
mm kN kN r/min kg -
24048017432504750360850120016023252 CCK/W33 + OH 2352 H *

SKF23252CCK/W33+OH2352H*球面滚子轴承供应商

八零动力专业销售23252CCK/W33+OH2352H*球面滚子轴承,库存SKF23252CCK/W33+OH2352H*大量现货,与SKF合作,咨询热线:022-58519723业务咨询
SKF23252CCK/W33+OH2352H*这款轴承的性能卓越,有效提升了设备的整体性能和可靠性它的精密装配,确保了整体性能的卓越 以精湛工艺铸就质量无可挑剔的轴承,在行业内树立了良好的口碑和形象它的耐高温性能,减少了冷却系统的能耗 品质卓越,八零动力SKF球面滚子轴承品种全,价格优,质量有保证!

用户关注最多的SKF轴承型号

SKF231/750CAK/W33+AOH31/750 SKF23222CCK/W33+AHX3222G* SKF7000AC/DT SKF7007ACE/HCP4A SKF71908ACD/HCP4A SKF71910ACD/HCP4A SKFBTM85B/P4CDBA SKFCR16X32X7HMS5RG SKFCR18513 SKFCR402502 SKFCR45x85x8CRW1R SKFHA2340 SKFNJ219E SKFNNCL4936CV SKFP1.1/8WF

23252CCK/W33+OH2352H*球面滚子轴承近似的SKF轴承型号

SKF23252CC/W33* SKF23252CCK/W33* SKF23252CCK/W33+AOH2352G* SKF23252CCK/W33+OH2352H* SKF23252CCK/W33+AOH2352G* SKF23252CC/W33

用户关注最多的轴承狗热门型号

LYC  42724KQT/03 NACHI  130KBV039 SNR  51138 MRC  6006-2RS TIMKEN  495/493D+X3S-495 KOYO  629-RZ FAG  BND2252-Z-T-AL-S 国产  3819/630 NTN  UCP210 NACHI  6830 KOYO  NU1009 SKF  K-T911 FAG  SNV170-L + 2316-M + DH316 IKO  TRU203820UU IKO  LRT859530

版权所有©2009-2015 轴承狗zcgou.com ICP备案:津ICP备14004550号-13