
SKFYET204/VL065轴承详细参数
发布时间:2026-05-30
| | | | | | | | | | |
| Y-轴承, 带偏心锁定环的, YET 2-VL065 |
 |
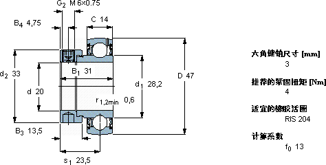
| 主要数据尺寸 | 基本负荷额定值 | 疲劳负荷限值 | 限制速度 | 体积 | 型号 |
| | 动态 | 静态 | | |
| d | D | B1 (B) | C | C | C0 | Pu | 用于轴公差h6 |
 |
| mm | kN | kN | r/min | kg | - |
 |
| 20 | 47 | 31 | 14 | 12,7 | 6,55 | 0,28 | 8500 | 0,18 | YET 204/VL065 |
SKFYET204/VL065外球面球轴承Y-轴承供应商
- 八零动力专业销售YET204/VL065外球面球轴承Y-轴承,库存SKFYET204/VL065大量现货,与SKF合作,咨询热线:022-58519723

- SKFYET204/VL065稳定持久每一次旋转,都是品质的见证,它的精密测量技术,确保了每一件产品的品质 先进的制造技术和严格的质量检测,造就了这款优质轴承为您的机械提供持久动力,为您创造更多可能,,八零动力SKF外球面球轴承Y-轴承品种全,价格优,质量有保证!
用户关注最多的SKF轴承型号
SKF248/900CAK30MA/W20
SKF2x7311BEGCY
SKF316733
SKF6003-2RSLTN9/HC5C3WT
SKF6022-RS1*
SKF619/4-2Z
SKFCR15549
SKFFYT2.3/16TF/AH
SKFHA2320x3.1/2
SKFNJ244ECMA*
SKFNNF5008ADA-2LSV
SKFNNF5026ADA-2LSV
SKFNU2220ECML*
SKFPFD1.1/2TR
SKFWS81184