SKFYAR204-2RF/VE495轴承详细参数

发布时间:2026-04-15
Y-轴承, 带平头螺钉锁定的, YAR 2-2RF/VE495
主要数据尺寸 基本负荷额定值 疲劳负荷限值 限制速度 体积 型号
动态 静态
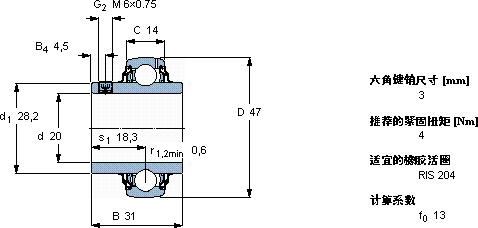
d D B C C C0 Pu 用于轴公差h6
mm kN kN r/min kg -
2047311412,76,550,2850000,14YAR 204-2RF/VE495

SKFYAR204-2RF/VE495外球面球轴承Y-轴承供应商

八零动力专业销售YAR204-2RF/VE495外球面球轴承Y-轴承,库存SKFYAR204-2RF/VE495大量现货,与SKF合作,咨询热线:022-58519723业务咨询
SKFYAR204-2RF/VE495它的长寿命,减少了资源浪费 它的质量卓越,为机械设备的安全运行保驾护航轴承的耐用性极佳,为设备的长期稳定运行提供了保障这轴承的设计简直精妙绝伦,每一处细节都彰显着极致的工艺美学稳定旋转的核心力量承载未来,八零动力SKF外球面球轴承Y-轴承品种全,价格优,质量有保证!

用户关注最多的SKF轴承型号

SKF23230-2CS5/VT143* SKF53215 SKF6215-2Z/VA228 SKF6221-2Z* SKF6309-RS SKF7214BECBM SKFC4920V* SKFCR45X68X7HMSA10RG SKFFYRP2.15/16H SKFK75x81x20 SKFNNU40/800KM/W33 SKFSA70ES-2RS SKFSC7013FB/P7 SKFSYH1.1/4ATF SKFSYNT60FTF

YAR204-2RF/VE495外球面球轴承Y-轴承近似的SKF轴承型号

SKFYEL204-2F SKFYAR204-012-2FW/VA201 SKFYAR204-012-2F SKFYET204-012 SKFYEL204-2RF/VL065 SKFYEL204-012-2F SKFYAR204-012-2FW/VA228 SKFYET204 SKFYAR204-012-2RF SKFYAR204-012-2F/AH SKFYAR204-2RF/HV SKFYAR204-2RF/W64

用户关注最多的轴承狗热门型号

SKF  CR407603 NTN  UCFU316 INA  UV5323 NTN  NF334 KOYO  469/453X KOYO  47T926342 国产  N234E SKF  N216ECP SKF  NCF3084CV NACHI  SN620FE SKF  BVNB328607A/HA1 LYC  32964 X2/P6 NSK  110BER10S NACHI  NU240E IKO  BSR15-60SL

版权所有©2009-2015 轴承狗zcgou.com ICP备案:津ICP备14004550号-13