SKFYET204/W64轴承详细参数

发布时间:2026-05-29
Y-轴承, 含Solid Oil
主要数据尺寸 基本负荷额定值 疲劳负荷限值 限制速度 体积 型号
动态 静态
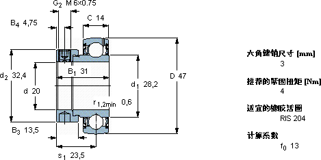
d D B (B1) C C C0 Pu
mm kN kN r/min kg -
2047311412,76,550,2810000,18YET 204/W64

SKFYET204/W64外球面球轴承Y-轴承供应商

八零动力专业销售YET204/W64外球面球轴承Y-轴承,库存SKFYET204/W64大量现货,与SKF合作,咨询热线:022-58519723业务咨询
SKFYET204/W64它在农业机械中的应用,展现了它的耐用性 为设备的精确运行提供了保障,该轴承的精度控制精准,为设备的精确运行提供了保障制造工艺精湛,使得这款轴承在运转时更加顺畅平稳轴承的耐用性极佳,为设备的长期稳定运行提供了保障它的微观表面处理,减少了摩擦和磨损 它的轴向跳动控制,确保了机械的平稳运行 ,八零动力SKF外球面球轴承Y-轴承品种全,价格优,质量有保证!

用户关注最多的SKF轴承型号

SKF22328CCK/W33+H2328 SKF23138-2CS5K/VT143* SKF2x7209BECBP* SKF618/560MA SKFBT4B328988G/HA1VA901 SKFBT4B334106BG/HA1C300VA901 SKFC30/560KM+OH30/560H* SKFC4188K30MB* SKFCR13882 SKFE2.627-2Z/C3 SKFN1016KTNHA/SP SKFNCF28/1000V SKFNCF3028CV SKFNJ28/1000ECMP/HA1 SKFNNCF4840CV

YET204/W64外球面球轴承Y-轴承近似的SKF轴承型号

SKFYAT204-012 SKFYAR204-2RF/VE495 SKFYAR204-2F SKFYEL204-2RF/VL065 SKFYET204/VL065 SKFYAR204-012-2F/AH SKFYEL212-204-2FCW SKFYAR204-012-2FW/VA228 SKFYET212-204 SKFYAR204-2RF/HV SKFYET204/VL065 SKFYET205

用户关注最多的轴承狗热门型号

FAG  22319-E1-K-T41A + AHX2319 国产  7309ADLD+AG309ADLA/DJ INA  GAY17-NPP-B FAG  HS71917-E-T-P4S MAC  N319 SKF  21309CCK+H309 NTN  7305B MRC  6208 KOYO  NJ215E+HJ215E MRC  6307 LYC  6003 E-2Z/C2 STEYR  NJ2219 SKF  CR5750558 SKF  NUP2226ECP IKO  CRWU20-55RS

版权所有©2009-2015 轴承狗zcgou.com ICP备案:津ICP备14004550号-13