SKFYET204-012轴承详细参数

发布时间:2026-04-14
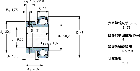
Y-轴承, 带偏心锁定环的, YET 2
主要数据尺寸 基本负荷额定值 疲劳负荷限值 限制速度 体积 型号
动态 静态
d D B1 (B) C C C0 Pu 用于轴公差h6
mm kN kN r/min kg -
19,0547311412,76,550,2885000,17YET 204-012

SKFYET204-012外球面球轴承Y-轴承供应商

八零动力专业销售YET204-012外球面球轴承Y-轴承,库存SKFYET204-012大量现货,与SKF合作,咨询热线:022-58519723业务咨询
SKFYET204-012它的精密设计,展现了人类智慧的巅峰 高品质的轴承,在各种复杂工况下都能展现出卓越的性能表现这款轴承的精度极高,能够满足对精度要求苛刻的设备它的径向跳动控制,达到了行业顶尖水平 从制造工艺到实际性能,这款轴承都表现得十分出色,它的可回收性,体现了环保理念 ,八零动力SKF外球面球轴承Y-轴承品种全,价格优,质量有保证!

用户关注最多的SKF轴承型号

SKF32240J2 SKF32321J2 SKF54307 SKF7219BEGAM* SKFBTM65A/HCP4CDBB SKFCR1000232 SKFCR70053 SKFHM31/600 SKFIR12x15x16 SKFMS31/670 SKFNNU4840K/W33 SKFNNU4932BK/SPW33 SKFPCM242720B SKFQJ336N2MA* SKFYAR215-211-2F

YET204-012外球面球轴承Y-轴承近似的SKF轴承型号

SKFYEL212-204-2F SKFYEL204-2RF/VL065 SKFYAR204-012-2FW/VA201 SKFYAR212-204-2F SKFYAR204-012-2RF/HV SKFYAR204-2RF/VE495 SKFYAR204-2RF SKFYET204 SKFYET204/W64 SKFYAR204-2FW/VA228 SKFYET204 SKFYET204/VL065

用户关注最多的轴承狗热门型号

TIMKEN  3379/3320 SKF  IR45x52x40 SKF  7310BECBJ LYC  24072 CK30 NSK  120BNR10S TIMKEN  542/532A SKF  BTM80A/HCP4CDBA AET  NU328 SKF  CR524215 SKF  NJ210ECML* KOYO  7010C/DT NSK  7030CTYNSULP4 SKF  NJ412 FAFNIR  7201AC FAG  SNV080-L + 2307-K-TVH-C3 + H2307X102 + DHV607X102

版权所有©2009-2015 轴承狗zcgou.com ICP备案:津ICP备14004550号-13