SKFYEL204-2F轴承详细参数

发布时间:2026-05-30
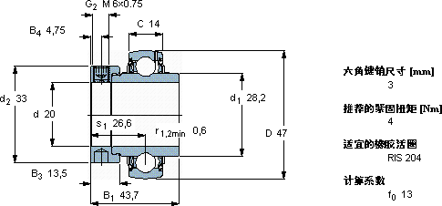
Y-轴承, 带偏心锁定环的, YEL 2-2F
主要数据尺寸 基本负荷额定值 疲劳负荷限值 限制速度 体积 型号
动态 静态
d D B1 (B) C C C0 Pu 用于轴公差h6
mm kN kN r/min kg -
204743,71412,76,550,2885000,19YEL 204-2F

SKFYEL204-2F外球面球轴承Y-轴承供应商

八零动力专业销售YEL204-2F外球面球轴承Y-轴承,库存SKFYEL204-2F大量现货,与SKF合作,咨询热线:022-58519723业务咨询
SKFYEL204-2F优秀的轴承,就像精密仪器的心脏,确保着整个系统的高效运转它的质量过硬,为机械设备的高效、安全运行提供了保障为您的机械提供持久动力,这轴承的设计巧妙,充分考虑了设备的运行需求和维护便利性它的抗震性能,确保了它在振动环境下的可靠性 质量上乘的轴承,是提升机械设备性能的关键因素,八零动力SKF外球面球轴承Y-轴承品种全,价格优,质量有保证!

用户关注最多的SKF轴承型号

SKF31312J2/QDF SKF6211-2Z* SKF6313NR* SKF7008CE/HCP4A SKF7312BECCM* SKFAXK85110 SKFBT4-8003E2/C550* SKFFSYE2.7/16-18 SKFFYRP1.7/16 SKFHM262749/710 SKFMS3068-64 SKFNJ411 SKFS71910ACD/HCP4A SKFSC7014FB/P7 SKFSC71912FB/P7

YEL204-2F外球面球轴承Y-轴承近似的SKF轴承型号

SKFYEL204-2RF/VL065 SKFYAR204-2RF/VE495 SKFYAR212-204-2F SKFYET204 SKFYAR204-2FW/VA228 SKFRIS204 SKFYET204-012 SKFYEL212-204-2FCW SKFYAT204-012 SKFYAR204-2FW/VA201 SKFYEL204-012-2FCW SKFYEL204-2RF/VL065

用户关注最多的轴承狗热门型号

FAG  SNV190-L + 1318-K-M-C3 + H318X302 + FSV518 FAG  SNV090-L + 21308-E1-K + H308 + TSV608 STEYR  54217 SKF  QJ318 INA  TTUE40 MRC  7013C/DB LYC  351196/C4 RHP  6000-2Z SKF  BK4012 FAG  SNV100-L + 21309-E1-K + H309X108 + DHV609X108 SKF  23264CACK/W33+H3264 SKF  3309A-2Z FAG  30205-A KOYO  NJ2312+HJ2312 IKO  NATB5914

版权所有©2009-2015 轴承狗zcgou.com ICP备案:津ICP备14004550号-13