SKFSIL30C轴承详细参数

发布时间:2026-05-30
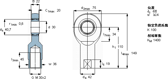
免维护杆端, 阴螺纹, 钢/烧结铜复合材料
主要数据尺寸 角度倾的 基本负荷额定值 质量 型号
动态 静态 轴承座完全与密封件
d d2 B d3 C1 h1± C C0
6H
mm 度数 kN kg -
307522M 30x220110665,51181,00SIL 30 C

SKFSIL30C免维护的杆端关节轴承供应商

八零动力专业销售SIL30C免维护的杆端关节轴承,库存SKFSIL30C大量现货,与SKF合作,咨询热线:022-58519723业务咨询
SKFSIL30C它的可靠性,赢得了无数工程师的信任 坚固耐用它的润滑技术,减少了摩擦和磨损 制造工艺精湛,使得这款轴承在运转时更加顺畅平稳它的高效率,减少了能源消耗 它在化工设备中的应用,展现了它的耐腐蚀性 ,八零动力SKF免维护的杆端关节轴承品种全,价格优,质量有保证!

用户关注最多的SKF轴承型号

SKF2304TN SKF23136CCK/W33+AH3136G* SKF305702C-2Z SKF32222J2/DF SKF71803CD/HCP4A SKF71920C/DT SKFCR15X30X7HMSA10V SKFCR20215 SKFCR23666 SKFCR260x290x16HDS2R SKFCR404504 SKFCR4247 SKFHA2320x3.5/16 SKFHCRE030R SKFSNW109x1.3/8

SIL30C免维护的杆端关节轴承近似的SKF轴承型号

SKFSIL30C SKFSAL30C SKFSI30C SKFSA30C SKFSIL25ES SKFSIL30ES

用户关注最多的轴承狗热门型号

INA  RWS1808-200/x200/x18 FAG  SNV140-L + 22313-E1-K + H2313X204 + FSV613X204 SKF  23224-2CS5K/VT143* NSK  54216 NACHI  23020AXK NACHI  7203BDF SKF  OKBS138 KOYO  EE243193D/250/251D 国产  234422BM FAG  LOE540-N-AF-L SKF  CR24875 国产  6019-ZN LYC  6204 E-2RS SKF  K115x123x27 DKF  7244AC

版权所有©2009-2015 轴承狗zcgou.com ICP备案:津ICP备14004550号-13