SKFSIL25ES轴承详细参数

发布时间:2026-04-30
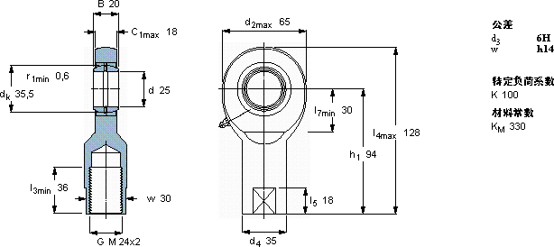
需要维护的杆端, 钢对钢,阴螺纹
主要数据尺寸 角度倾的 基本负荷额定值 质量 型号
动态 静态 杆端带右或左旋螺纹
d d2 B d3 C1 h1± C C0
6H
mm 度数 kN kg -
256520M 24x21894748900,65SIL 25 ES

SKFSIL25ES需维护的杆端关节轴承供应商

八零动力专业销售SIL25ES需维护的杆端关节轴承,库存SKFSIL25ES大量现货,与SKF合作,咨询热线:022-58519723业务咨询
SKFSIL25ES轴承的性能可靠,为机械设备的稳定运行立下汗马功劳优秀的设计理念和精湛的制造工艺,成就了这款杰出的轴承它的品质卓越,为机械设备的高效、稳定运行保驾护航卓越的设计理念,赋予了这款轴承超凡的性能它在化工设备中的应用,展现了它的耐腐蚀性 畅享稳定顺滑的旋转之旅,,八零动力SKF需维护的杆端关节轴承品种全,价格优,质量有保证!

用户关注最多的SKF轴承型号

SKF312NR SKF6001-2Z* SKF6204-RSL* SKF71914CD/P4A SKFBTM100A/P4CDBA SKFC5910V* SKFC7020FB/P7 SKFCR21X35X7HMS5V SKFCR29112 SKFCR595636 SKFFT1/2FM SKFHN5025 SKFMB5 SKFNCF29/530V SKFSIL80TXE-2LS

SIL25ES需维护的杆端关节轴承近似的SKF轴承型号

SKFSIL25ES SKFSIKAC25M SKFSA25ES SKFSAL25ES SKFSIJ25ES SKFSAKAC25M SKFSIQG125ES SKFSILKAC25M SKFSC25ES SKFSI25ES SKFSIL25C SKFSIL30C

用户关注最多的轴承狗热门型号

NACHI  NJ230E KOYO  29415 SKF  7319BEM SKF  316733 GMN  7019C MRC  71914C/DB SKF  21322CCK SKF  S7008CD/P4A MAC  NUP2315 SKF  STO12 NACHI  SN228FC FAG  23028-E1A-K-M + AHX3028 国产  23036K NACHI  53412U FAG  SNV215-L + 1320-K-M-C3 + H320 + DH620

版权所有©2009-2015 轴承狗zcgou.com ICP备案:津ICP备14004550号-13