SKFSIL25C轴承详细参数

发布时间:2026-04-15
免维护杆端, 阴螺纹, 钢/烧结铜复合材料
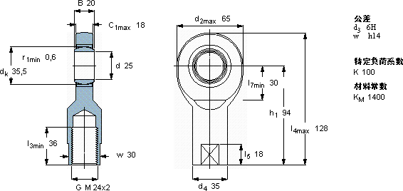
主要数据尺寸 角度倾的 基本负荷额定值 质量 型号
动态 静态 轴承座完全与密封件
d d2 B d3 C1 h1± C C0
6H
mm 度数 kN kg -
256520M 24x21894751900,65SIL 25 C

SKFSIL25C免维护的杆端关节轴承供应商

八零动力专业销售SIL25C免维护的杆端关节轴承,库存SKFSIL25C大量现货,与SKF合作,咨询热线:022-58519723业务咨询
SKFSIL25C它的密封性能,完美抵御灰尘和杂质的侵袭 这款轴承的性能卓越,有效提升了设备的整体性能和可靠性它的抗拉强度,让它经得起各种考验 先进的制造技术和严格的质量检测,造就了这款优质轴承轴承的稳定性和可靠性表现出色,赢得了用户的高度认可它的稳定性,让它在各种环境下都能可靠工作 ,八零动力SKF免维护的杆端关节轴承品种全,价格优,质量有保证!

用户关注最多的SKF轴承型号

SKF22234-2CS5/VT143* SKF31313J2/QCL7C SKF6214-2RS SKF6220NR* SKF71806ACD/P4 SKF71928AC SKF7212BECBM* SKF7228AC/DB SKFCR25X47X10HMS5RG SKFFYTB3/4TF SKFGE35CJ2 SKFNJG2330VH SKFPCM283230M SKFRLS4-2RS1 SKFSY1.3/16TF/AH

SIL25C免维护的杆端关节轴承近似的SKF轴承型号

SKFSIL25C SKFSI25C SKFSAL25C SKFSA25C SKFSIL20ES SKFSIL25ES

用户关注最多的轴承狗热门型号

SKF  TVN314A STEYR  NU313 NSK  7919A5DB INA  SPPR2550 KOYO  R56/34 SKF  RN-3x17.8BF/G2 RHP  3208A NACHI  7204C KOYO  NN3038 FAG  SNV160-L + 21315-E1-K + H315X207 + TCV615X207 国产  23936F3 FLT  NU422 LYC  294/530 国产  K32*46*32 IKO  LM81524N

版权所有©2009-2015 轴承狗zcgou.com ICP备案:津ICP备14004550号-13