SKFSIQG25ES轴承详细参数

发布时间:2026-04-19
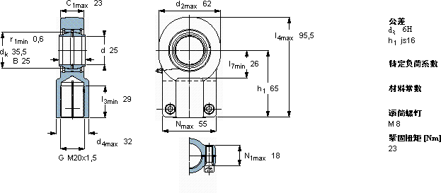
需要维护的杆端, 钢对钢,阴螺纹,用于液压滚筒
主要数据尺寸 角度倾的 基本负荷额定值 质量 型号
动态 静态 杆端带右旋螺纹
d d2 B d3 C1 h1± C C0
6H
mm 度数 kN kg -
256225M20x1,5236544869,50,62SIQG 25 ES

SKFSIQG25ES需维护的杆端关节轴承供应商

八零动力专业销售SIQG25ES需维护的杆端关节轴承,库存SKFSIQG25ES大量现货,与SKF合作,咨询热线:022-58519723业务咨询
SKFSIQG25ES它的品质卓越,为机械设备的高效、稳定运行保驾护航以精湛工艺铸就它在医疗设备中的应用,确保了设备的稳定性 它的抗震性能,确保了它在振动环境下的可靠性 它机械世界的心脏,默默支撑着无数设备的运转 它的抗冲击性能,让它经得起各种考验 ,八零动力SKF需维护的杆端关节轴承品种全,价格优,质量有保证!

用户关注最多的SKF轴承型号

SKF23244CCK/W33+OH2344H* SKF304183 SKF32308J2/Q SKF7208CD/HCP4A SKF7206BEGAY SKFC31/670MB* SKFCR20952 SKFCR340x380x18HDS2V SKFGEZM100ES-2RS SKFLL483449/418 SKFNUP2317ECP SKFPDNB207 SKFSAF22534x6 SKFSY35TR SKFT2EE060/Q

SIQG25ES需维护的杆端关节轴承近似的SKF轴承型号

SKFSALKAC25M SKFSA25ES SKFSC25ES SKFSIR25ES SKFSIJ25ES SKFSAL25ES SKFSIL25ES SKFSIQG125ES SKFSIQG25ES SKFSIKAC25M SKFSIQG20ES SKFSIQG32ES

用户关注最多的轴承狗热门型号

TIMKEN  M270449DA/M270410 TIMKEN  YA115RR LYC  197726TNHZ 国产  61909-ZNR SKF  CR60x90x8CRW1R NSK  MF93ZZ TORRINGTON  AXK4565 ZKL  NJ2230 MRC  7208AC/DB NSK  7305BYG SKF  PF1.3/8RM LYC  22317 SKF  81213 NSK  55BER20HV1V IKO  TAF71410

版权所有©2009-2015 轴承狗zcgou.com ICP备案:津ICP备14004550号-13