SKFSIR25ES轴承详细参数

发布时间:2026-04-15
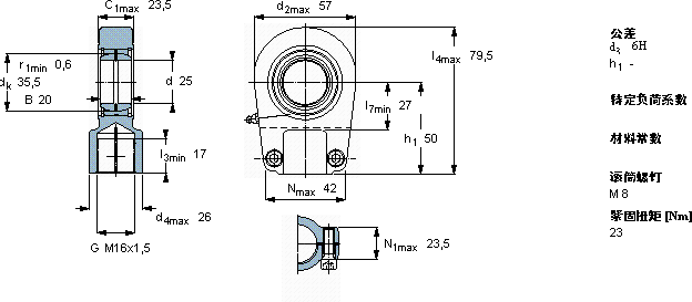
需要维护的杆端, 钢对钢,阴螺纹,用于液压滚筒
主要数据尺寸 角度倾的 基本负荷额定值 质量 型号
动态 静态 杆端带右旋螺纹
d d2 B d3 C1 h1± C C0
6H
mm 度数 kN kg -
255720M16x1,523,550748520,47SIR 25 ES

SKFSIR25ES需维护的杆端关节轴承供应商

八零动力专业销售SIR25ES需维护的杆端关节轴承,库存SKFSIR25ES大量现货,与SKF合作,咨询热线:022-58519723业务咨询
SKFSIR25ES它的抗冲击能力,让它经久不衰 它的质量过硬,为机械设备的高效、安全、稳定运行 以精湛工艺这轴承的设计巧妙,充分考虑了设备的运行需求和维护便利性它在印刷机械中的应用,展现了它的高精度 它的故障率极低,确保了设备的稳定运行 ,八零动力SKF需维护的杆端关节轴承品种全,价格优,质量有保证!

用户关注最多的SKF轴承型号

SKF02872/02820/Q SKF1309 SKF32209J2/Q SKF33207/Q SKF7010AC/DF SKF7016ACE/HCP4A SKFAS2542 SKFC4026K30V* SKFCR185x220x12.7HS8R SKFCR524232 SKFCR99157 SKFNA4902.2RS SKFNJ2218ECJ* SKFNNU41/1400K30M/W33 SKFNU2316ECP

SIR25ES需维护的杆端关节轴承近似的SKF轴承型号

SKFSAKAC25M SKFSIR25ES SKFSA25ES SKFSILKAC25M SKFSIKAC25M SKFSIJ25ES SKFSIQG125ES SKFSC25ES SKFSIL25ES SKFSAL25ES SKFSIR20ES SKFSIR30ES

用户关注最多的轴承狗热门型号

TIMKEN  KML26 FLT  NJ311 FLT  NJ213 KOYO  6901ZZ SKF  6004-2RSLTN9/HC5C3WT NTN  127 FAG  Z-580454.ZL-K-C5 KOYO  96FC68500A NTN  234706B SKF  2x7216BECBP* SKF  S71912CD/P4A MRC  NJ326 TIMKEN  L217845D/L217813/L217813EA NTN  N2315 IKO  LWEC20...SL.../U

版权所有©2009-2015 轴承狗zcgou.com ICP备案:津ICP备14004550号-13