SKFSI17C轴承详细参数

发布时间:2026-04-29
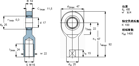
免维护杆端, 阴螺纹, 钢/烧结铜复合材料
主要数据尺寸 角度倾的 基本负荷额定值 质量 型号
动态 静态 轴承座完全与密封件
d d2 B d3 C1 h1± C C0
6H
mm 度数 kN kg -
174714M 1611,5671022,446,50,25SI 17 C

SKFSI17C免维护的杆端关节轴承供应商

八零动力专业销售SI17C免维护的杆端关节轴承,库存SKFSI17C大量现货,与SKF合作,咨询热线:022-58519723业务咨询
SKFSI17C承载未来它在化工设备中的应用,展现了它的耐腐蚀性 它的故障率极低,确保了设备的稳定运行 它的抗磨损涂层,让它更加耐用 卓越的性能表现,让这款轴承在市场上脱颖而出旋转无忧,八零动力SKF免维护的杆端关节轴承品种全,价格优,质量有保证!

用户关注最多的SKF轴承型号

SKF313535D SKF331717A SKF6217-RS1* SKF6308-2RS1* SKFCR35X55X10HMS5RG SKFCR35X56X10CRS1R SKFCR530733 SKFFY1.FM SKFGE30TXE-2LS SKFMS3164 SKFNK5/10TN SKFNKI75/35 SKFNNC4840CV SKFNNCL4844CV SKFSNW15x2.7/16

SI17C免维护的杆端关节轴承近似的SKF轴承型号

SKFSA17C SKFSIL17C SKFSI17C SKFSAL17C SKFSI15ES SKFSI17ES

用户关注最多的轴承狗热门型号

KOYO  NJ211 国产  B7205C INA  NRB3X19,8-G2 STEYR  6214-2RS SKF  23080CAC/W33 NSK  7309A STEYR  NU311E 国产  NU218M SKF  VJ-PDNB310 BARDEN  7010AC/DB MAC  NJ2306 NTN  24036CC/W33 SKF  24080ECCK30J/W33* TIMKEN  5595 /5535-B SKF  2206EKTN9

版权所有©2009-2015 轴承狗zcgou.com ICP备案:津ICP备14004550号-13