SKFSA17ES轴承详细参数

发布时间:2026-05-30
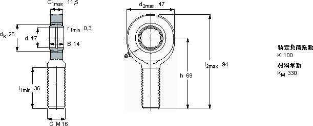
需要维护的杆端, 钢对钢,阳螺纹
主要数据尺寸 角度倾的 基本负荷额定值 质量 型号
动态 静态 杆端带右或左旋螺纹
d d2 B d3 C1 h ± C C0
6g
mm 度数 kN kg -
174714M 1611,5691021,2310,19SA 17 ES

SKFSA17ES需维护的杆端关节轴承供应商

八零动力专业销售SA17ES需维护的杆端关节轴承,库存SKFSA17ES大量现货,与SKF合作,咨询热线:022-58519723业务咨询
SKFSA17ES品质卓越的它,为机械设备的稳定、高效运行提供了支持制造工艺精湛,使得这款轴承的精度和稳定性都非常出色它在纺织机械中的应用,确保了设备的高速运转 就是选择高效与可靠制造工艺精湛,使得这款轴承在运转时更加顺畅平稳优秀的设计和卓越的性能,让这款轴承备受青睐,八零动力SKF需维护的杆端关节轴承品种全,价格优,质量有保证!

用户关注最多的SKF轴承型号

SKF22211EK+H311* SKF22332CC/W33* SKF292/600EM SKFCR17588 SKFCR50X72X12HMS5V SKFCR950.01x1000x25HDS1R SKFHA207 SKFNU1028 SKFPCM121415M SKFS5/8FM SKFS7022ACD/P4A SKFSDAF23096 SKFSNW3028x4.13/16 SKFSYH1.1/2TF SKFTUM1.15/16TF

SA17ES需维护的杆端关节轴承近似的SKF轴承型号

SKFSA17ES SKFSIL17ES SKFSAL17ES SKFSI17ES SKFSA17C SKFSA20C

用户关注最多的轴承狗热门型号

TORRINGTON  24144CCK30/W33 SKF  AH309 NSK  NUP313ET TIMKEN  HML84 NACHI  5395/5335 LYC  32019/DB FAFNIR  7210AC STEYR  NJ319 NSK  NA4872 SKF  1207ETN9 KOYO  46224 NTN  23152B IKO  TA2620Z IKO  AS6590 IKO  NAST12ZZ

版权所有©2009-2015 轴承狗zcgou.com ICP备案:津ICP备14004550号-13