SKFSALKB16F轴承详细参数

发布时间:2026-04-15
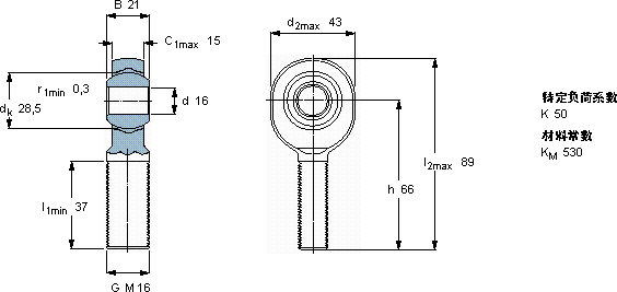
免维护杆端, 阳螺纹, 钢/PTFE复合材料
主要数据尺寸 角度倾的 基本负荷额定值 质量 型号
动态 静态 轴承座完全与密封件
d d2 B d3 C1 h ± C C0
6g
mm 度数 kN kg -
164321M 1615661521,434,50,21SALKB 16 F

SKFSALKB16F免维护的杆端关节轴承供应商

八零动力专业销售SALKB16F免维护的杆端关节轴承,库存SKFSALKB16F大量现货,与SKF合作,咨询热线:022-58519723业务咨询
SKFSALKB16F它的低摩擦设计,减少了能量损耗 打造出了性能卓越的这款轴承,该轴承的精度控制达到了极致坚固耐用它的质量可靠,是众多机械设备制造商的首选配件该轴承的性能优越,极大地提高了设备的工作效率承载重托,八零动力SKF免维护的杆端关节轴承品种全,价格优,质量有保证!

用户关注最多的SKF轴承型号

SKF11205ETN9 SKF2304 SKF31310J2/QCL7C* SKF33021 SKF51108V/HR22T2 SKF51215 SKF71801CD/P4A SKFCR100X120X12HMSA10RG SKFCR2600760 SKFCR90X125X13CRSH1R SKFNCF28/950V SKFNK22/16 SKFNU211ECP SKFSC7008FB/P7 SKFW638/4-2Z

SALKB16F免维护的杆端关节轴承近似的SKF轴承型号

SKFSIKB16F SKFSAKB16F SKFSALKB16F SKFSILKB16F SKFSIKB16F/VZ019 SKFSALKB14F SKFSALKB18F

用户关注最多的轴承狗热门型号

ZKL  7200B STEYR  NUP2208 TIMKEN  365/362-B NACHI  2214 SKF  NNU4080F/W33 LYC  6205 E/C4 TIMKEN  HM926740/HM926710D/HM926740XC TIMKEN  45RIU196 TIMKEN  539/532X SKF  CR75X110X12HMSA10V SKF  SY2.15/16WF LYC  32004 SKF  NNC4864CV GMN  7221AC 国产  22209K

版权所有©2009-2015 轴承狗zcgou.com ICP备案:津ICP备14004550号-13