SKFQJ252N2MA轴承详细参数

发布时间:2026-04-14
角接触球轴承, 四点接触球轴承
主要数据尺寸 基本负荷额定值 疲劳负荷限值 额定速度 体积 型号
动态 静态 参照速度 限制速度
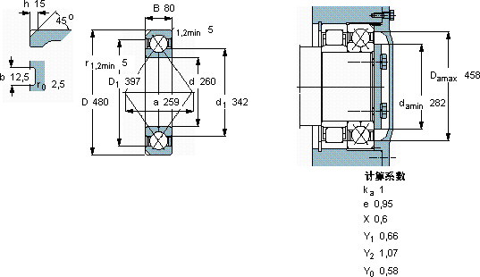
d D B C C0 Pu
mm kN kN r/min kg -
260480807281430321300220068,0QJ 252 N2MA

SKFQJ252N2MA角接触球轴承供应商

八零动力专业销售QJ252N2MA角接触球轴承,库存SKFQJ252N2MA大量现货,与SKF合作,咨询热线:022-58519723业务咨询
SKFQJ252N2MA制造工艺精湛,使得这款轴承在运转时更加顺畅平稳轴承的精度极高,使得设备的运行误差被控制在极小范围内它的尺寸精度,达到了微米级的极致 它的旋转精度,让高速运转成为现实 它的耐高温性能,让它在极端环境下依然稳定运行 它的抗震性能,确保了它在振动环境下的可靠性 ,八零动力SKF角接触球轴承品种全,价格优,质量有保证!

用户关注最多的SKF轴承型号

SKF22236CCK/W33+AH2236G* SKF22240-2CS5/VT143* SKF313639A/VJ202 SKF6219-2Z/VA228 SKF7013FB/P7 SKFBT4B332663/HA4 SKFCR17145 SKFCR17919 SKFCR99103 SKFHA3136L SKFKMK14 SKFN204E SKFNJ2220ECJ* SKFOKBS76 SKFPFT3/4FM

QJ252N2MA角接触球轴承近似的SKF轴承型号

SKFQJ252N2MA SKFQJ1252MA SKF7252BM SKFQJ1252N2MA SKFQJ248N2MA SKFQJ303

用户关注最多的轴承狗热门型号

LYC  LM 239530T/LM239546TD/LM239546T/LM239512D KOYO  RS485428 SKF  NCF29/800V SKF  21316CCK RHP  6034 SKF  QJ206N2MA SKF  51152 NTN  6084 DKF  7324AC/DF NTN  NUP2224 INA  GE60-FW-2RS SKF  CR28670 LYC  6212 E/C3Z1 SKF  618/850MA IKO  LRT202416

版权所有©2009-2015 轴承狗zcgou.com ICP备案:津ICP备14004550号-13