SKFSIKB16F轴承详细参数

发布时间:2026-05-30
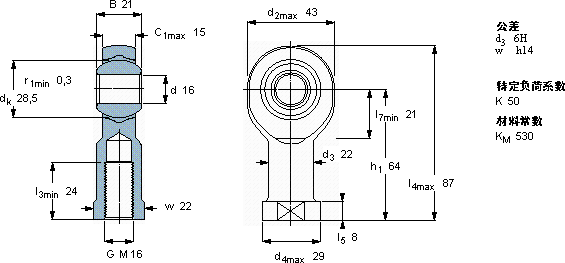
免维护杆端, 阴螺纹, 钢/PTFE复合材料
主要数据尺寸 角度倾的 基本负荷额定值 质量 型号
动态 静态 轴承座完全与密封件
d d2 B d3 C1 h1± C C0
6H
mm 度数 kN kg -
164321M 1615641521,434,50,23SIKB 16 F

SKFSIKB16F免维护的杆端关节轴承供应商

八零动力专业销售SIKB16F免维护的杆端关节轴承,库存SKFSIKB16F大量现货,与SKF合作,咨询热线:022-58519723业务咨询
SKFSIKB16F先进的生产工艺,让这款轴承的性能得到了极大提升这款轴承的运转平稳,几乎听不到任何噪音,令人惊艳设计独特、性能优越的轴承,满足了不同用户的需求先进的制造技术,让这款轴承的质量达到了行业领先水平它的精密设计,展现了人类智慧的巅峰 轴承的耐用性出色,能够长时间保持良好的工作状态,八零动力SKF免维护的杆端关节轴承品种全,价格优,质量有保证!

用户关注最多的SKF轴承型号

SKF23272CACK/W33+H3272 SKF51138 SKF51164M SKF7008C/DT SKFBT4B332822/HA1 SKFCR16620 SKFCR280x330x24HDS1R SKFCR45X62X7HMSA10RG SKFCR55X80X10HMS5RG SKFFYNT70L SKFFYTB30TR SKFHM30/710 SKFKMT30 SKFSAL45ES-2RS SKFUEL206

SIKB16F免维护的杆端关节轴承近似的SKF轴承型号

SKFSILKB16F SKFSALKB16F SKFSIKB16F/VZ019 SKFSAKB16F SKFSIKB16F SKFSIKB14F SKFSIKB16F/VZ019

用户关注最多的轴承狗热门型号

SKF  FYR1.11/16-3 LYC  35Z1061059 SKF  SYE2.3/4NH LYC  63/28 E-RS/C3Z1 SKF  SIJ12E LYC  22238 CA/W33 国产  7034AC INA  RCJ120 NSK  7904A5TYNDBLP4 NSK  QJ320 NACHI  B28906 NACHI  232/600EW33 SKF  YAR208-2RF TIMKEN  334/332-B ZKL  7240B/DT

版权所有©2009-2015 轴承狗zcgou.com ICP备案:津ICP备14004550号-13