SKFQJ307MA*轴承详细参数

发布时间:2026-04-15
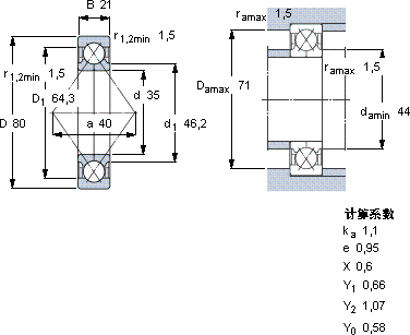
角接触球轴承, 四点接触球轴承
主要数据尺寸 基本负荷额定值 疲劳负荷限值 额定速度 体积 型号
动态 静态 参照速度 限制速度
d D B C C0 Pu * - SKF Explorer 轴承
mm kN kN r/min kg -
35802164512,1611000150000,57QJ 307 MA *

SKFQJ307MA*角接触球轴承供应商

八零动力专业销售QJ307MA*角接触球轴承,库存SKFQJ307MA*大量现货,与SKF合作,咨询热线:022-58519723业务咨询
SKFQJ307MA*它的径向跳动控制,达到了行业顶尖水平 您值得拥有让工作更高效,优秀的设计理念和精湛的制造工艺,成就了这款优秀的轴承优秀的设计让这款轴承在运行时更加高效节能卓越的设计和可靠的性能,是这款轴承的两大亮点,八零动力SKF角接触球轴承品种全,价格优,质量有保证!

用户关注最多的SKF轴承型号

SKF24138CC/W33 SKF230/750CAK/W33* SKF30313RJ2 SKFAHX317/75 SKFBA2B311495 SKFBT4B328282/HA1 SKFC71908DB/P7 SKFCR3300342 SKFNJ328ECJ* SKFNNU4884/W33 SKFNU1096 SKFNUP19/670ECMA SKFPDNB318 SKFSYH1.3/4WF SKFYAR205-015-2F/AH

QJ307MA*角接触球轴承近似的SKF轴承型号

SKF3307A-2RS SKF7307B/DB SKF7307BECBP SKF7307BEGAP* SKFQJ307N2MA SKF2x7307BEGBP* SKF3307DJ1 SKF3307ATN9 SKF3307A-2RS1TN9/MT33* SKFQJ307N2PHAS* SKFQJ307N2MA SKFQJ307N2MA*

用户关注最多的轴承狗热门型号

KOYO  6200-2RS KOYO  23248CCK/W33 国产  61806TN1 FAG  F513-WB-L + 22213-E1-K STEYR  6060 SKF  NJ2332ECMA SKF  BC2B326061/HA1 DKF  7302AC/DT GMN  7215C/DB FAG  SNV200-L + 2222-K-M-C3 + H322X312 + DHV522X312 NTN  AXK3552 LYC  22212 C/C4S1 FAG  H241/1250-HG SKF  NJ313ECM* LYC  7308 CQ1/P5S0

版权所有©2009-2015 轴承狗zcgou.com ICP备案:津ICP备14004550号-13